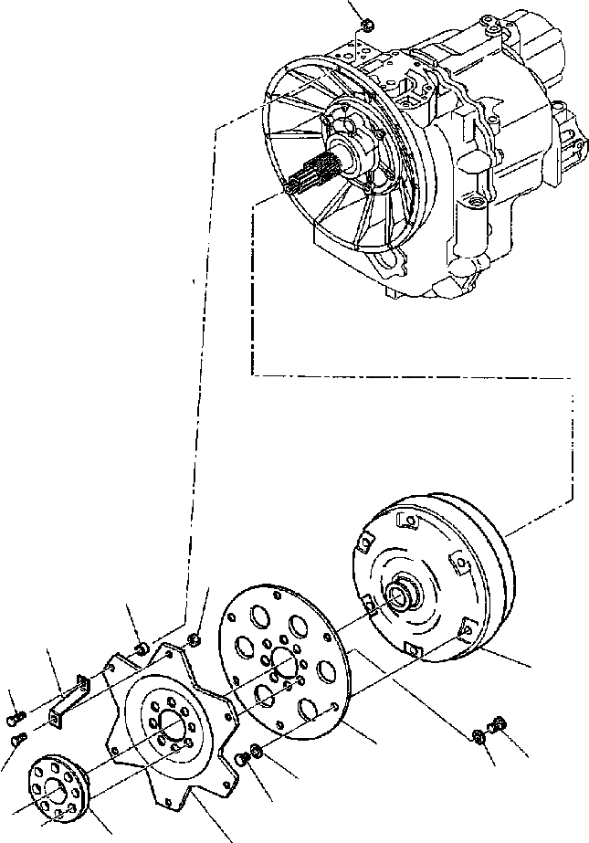
Запчасти Komatsu WB150-2N FIG. F-A ТРАНСМИССИЯ (WD) - ГИДРОТРАНСФОРМАТОР СИЛОВАЯ ПЕРЕДАЧА И КОНЕЧНАЯ ПЕРЕДАЧА

Схема запчастей Komatsu WB150-2N - FIG. F-A ТРАНСМИССИЯ (WD) - ГИДРОТРАНСФОРМАТОР СИЛОВАЯ ПЕРЕДАЧА И КОНЕЧНАЯ ПЕРЕДАЧА
5
10
11
12
13
1
5
6
2
3
7
8
4
9
FIT
1:1
100%

Артикул

Название

Примечание

Количество

1

CA0138575

BRACKET

2

CA0020786

BOLT

3

CA0020780

BOLT

4

CA0138571

FLANGE

5

CA0022116

NUT

6

CA0138659

BUSHING

7

CA0023050

WASHER, SPRING

8

CA0020842

BOLT

9

CA0138569

PLATE, FLYWHEEL TOWING

10

CA0130251

CONVERTER

11

CA0021216

BOLT

12

CA0023072

WASHER, SPRING

13

CA0138570

PLATE, CONVERTER

Выбрано товаров: 13