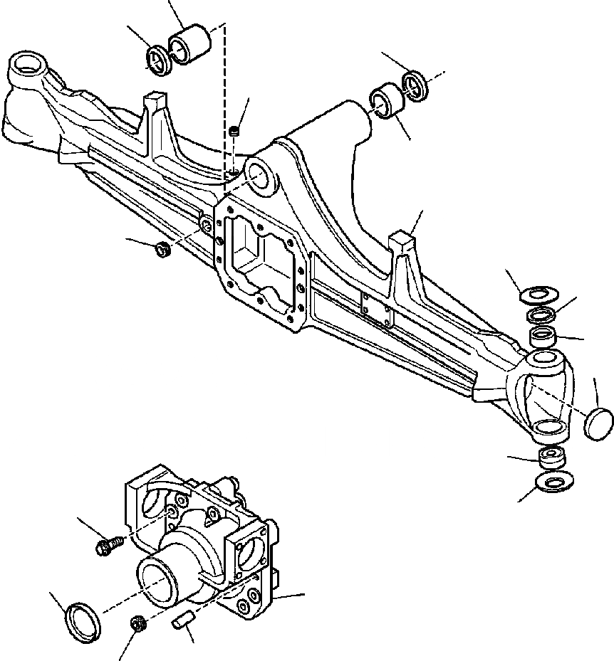
Запчасти Komatsu WB150-2N FIG. F-A ПЕРЕДНИЙ МОСТ (WD) - КОЖУХ СИЛОВАЯ ПЕРЕДАЧА И КОНЕЧНАЯ ПЕРЕДАЧА

Схема запчастей Komatsu WB150-2N - FIG. F-A ПЕРЕДНИЙ МОСТ (WD) - КОЖУХ СИЛОВАЯ ПЕРЕДАЧА И КОНЕЧНАЯ ПЕРЕДАЧА
1
2
2
5
4
6
3
7
8
9
10
11
16
12
15
13
14
3
FIT
1:1
100%

Артикул

Название

Примечание

Количество

|$0

200040622

FRONT AXLE ASSEMBLY

1

CA0126610

BUSHING

2

CA0120717

SEAL, OIL

3

CA0215650

PLUG, OIL

4

CA0126611

BUSHING

5

CA0021558

PLUG

6

CA0131496

HOUSING, AXLE

7

CA0128633

WASHER, BELLEVILLE

8

CA0131265

SPACER

9

CA0123641

BUSHING

10

CA0133415

PLUG

11

CA0123726

BEARING, SPHERICAL

12

CA0128630

WASHER, SPRING

13

CA0138302

SUPPORT, DIFFERENTIAL

14

CA0087660

PIN

15

CA0138301

PLUG

16

CA0125827

BOLT

Выбрано товаров: 17