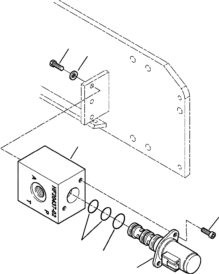
Запчасти Komatsu WB150-2N FIG. H-PA PPC СИСТЕМА - МОЛОТ СОЛЕНОИДНЫЙ КЛАПАН ГИДРАВЛИКА

Схема запчастей Komatsu WB150-2N - FIG. H-PA PPC СИСТЕМА - МОЛОТ СОЛЕНОИДНЫЙ КЛАПАН ГИДРАВЛИКА
6
7
4
5
3
2
1
FIT
1:1
100%

Артикул

Название

Примечание

Количество

|$0

845240019

VALVE, REGULATOR

1

845241022

VALVE, SOLENOID

|$2

845241025

KIT, SEAL

2

NSS

O-RING

3

NSS

O-RING

4

NSS

BLOCK, VALVE

5

845241008

BOLT

6

01010-50820

BOLT

7

01643-30823

WASHER

Выбрано товаров: 9