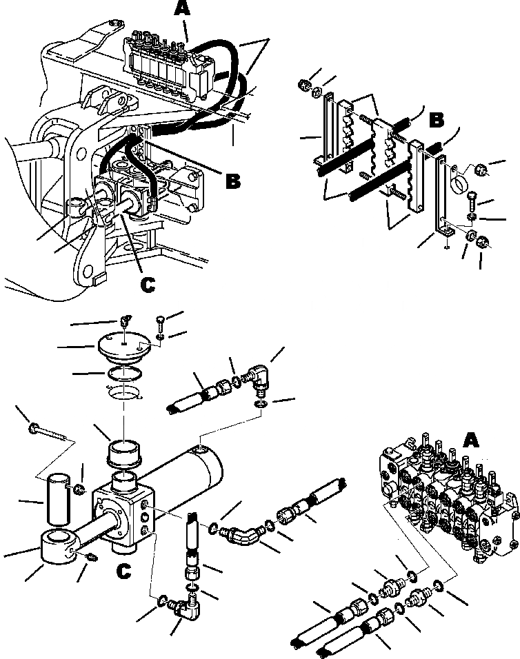
Запчасти Komatsu WB150-2N FIG. H7-A ЭКСКАВАТ. ТРУБЫ - ПОВОРОТН. ЛИНИЯ ЦИЛИНДРАS ГИДРАВЛИКА

Схема запчастей Komatsu WB150-2N - FIG. H7-A ЭКСКАВАТ. ТРУБЫ - ПОВОРОТН. ЛИНИЯ ЦИЛИНДРАS ГИДРАВЛИКА
1
25
26
24
21
25
22
1
23
24
8
21
9
26
25
17
19
18
5
7
15
20
16
12
6
14
13
6
11
1
3
7
8
5
2
1
4
9
10
1
7
3
2
6
4
5
1
FIT
1:1
100%

Артикул

Название

Примечание

Количество

1

392860007

HOSE

2

500380123

UNION

3

855051119

O-RING

4

855051012

O-RING

5

500380503

UNION, ELBOW

6

855051111

O-RING

7

855051012

O-RING

10

860010007

FITTING, GREASE

11

390597062

PIN, CYLINDER

12

801015584

BOLT

13

801880212

NUT, LOCK

14

500213511

BUSHING

15

500014689

PLUG

16

855021836

O-RING

17

801015086

BOLT

18

802170001

WASHER

19

860030004

FITTING, GREASE

20

392860003

HOSE

21

312707611

SUPPORT, CLAMP

22

801015110

BOLT

23

802170002

WASHER

24

312707108

CLAMP, HOSE

25

801880408

NUT, LOCK

26

802170001

WASHER

Выбрано товаров: 24