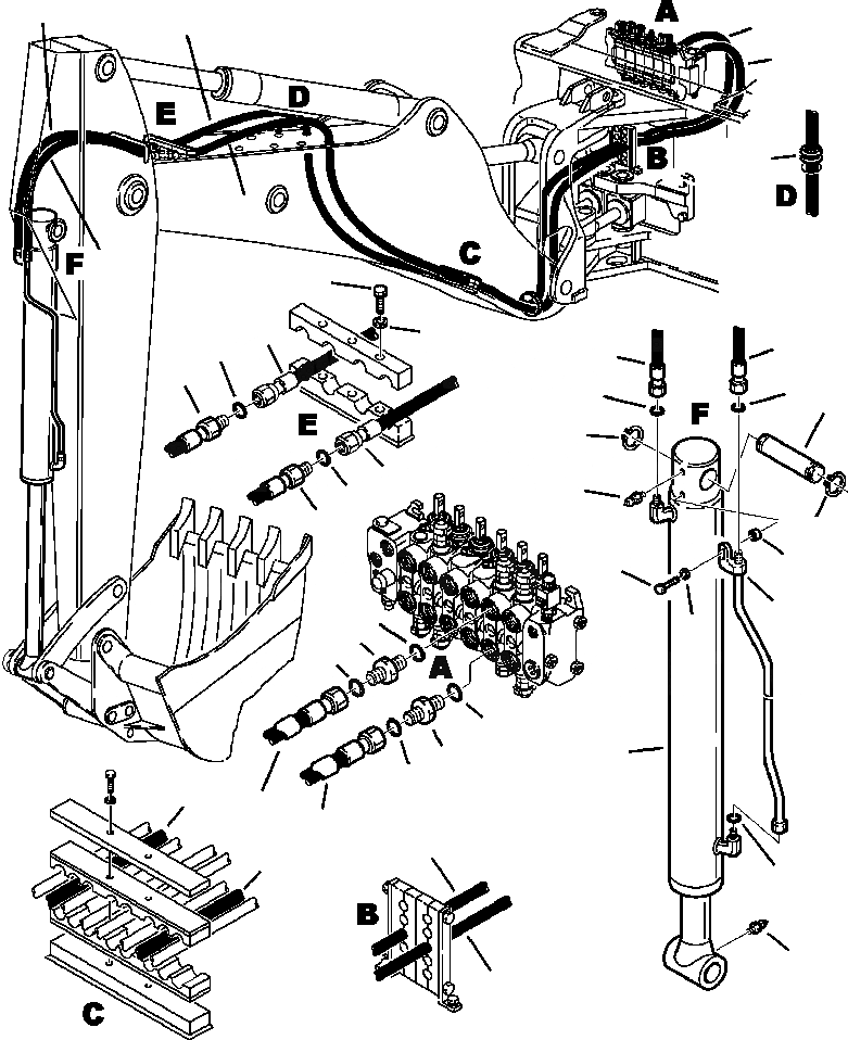
Запчасти Komatsu WB150-2N FIG. H7-A ЭКСКАВАТ. ТРУБЫ - ЦИЛИНДР КОВШАS ГИДРАВЛИКА

Схема запчастей Komatsu WB150-2N - FIG. H7-A ЭКСКАВАТ. ТРУБЫ - ЦИЛИНДР КОВШАS ГИДРАВЛИКА
12
4
4
6
5
6
12
15
16
4
12
13
12
12
9
9
10
11
6
8
13
12
11
18
17
14
2
1
19
3
2
7
1
3
4
4
6
4
6
9
8
6
FIT
1:1
100%

Артикул

Название

Примечание

Количество

1

500380113

UNION

2

855051119

O-RING

3

855051018

O-RING

4

392860013

HOSE

5

312708621

BUSHING, HOSE

6

392860042

HOSE

8

860010007

FITTING, GREASE

9

855051018

O-RING

10

312709605

PIN, CYLINDER

11

802270017

RING, SNAP

12

392861004

HOSE

13

855051018

O-RING

14

312707102

TUBE

15

801015089

BOLT

16

802170001

WASHER

17

312739615

SPACER

18

801015110

BOLT

19

802170002

WASHER

Выбрано товаров: 18