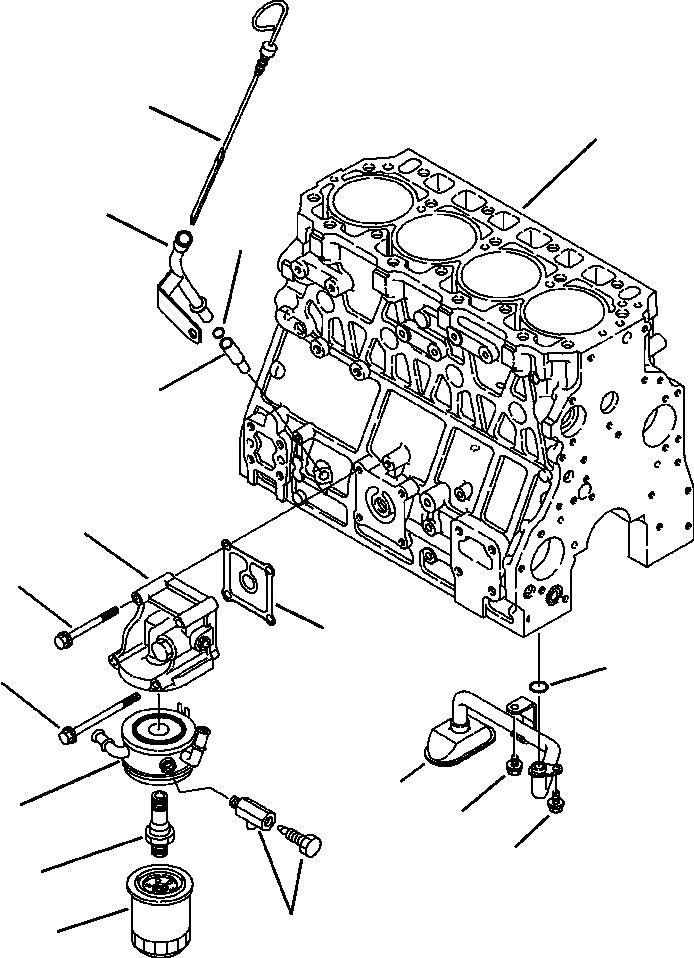
Запчасти Komatsu WB150-2N FIG. A-A ДВИГАТЕЛЬ - МАСЛООХЛАДИТЕЛЬ И ФИЛЬТР., ВСАСЫВАЮЩАЯ ЛИНИЯAND DIPSTICK ДВИГАТЕЛЬ

Схема запчастей Komatsu WB150-2N - FIG. A-A ДВИГАТЕЛЬ - МАСЛООХЛАДИТЕЛЬ И ФИЛЬТР., ВСАСЫВАЮЩАЯ ЛИНИЯAND DIPSTICK ДВИГАТЕЛЬ
8
11
9
16
17
2
6
3
13
7
12
1
14
15
4
5
10
FIT
1:1
100%

Артикул

Название

Примечание

Количество

1

YM123910-33011

COOLER, OIL

3

YM123900-33060

GASKET

4

YM123910-33100

FITTING

5

YM119620-49290

DRAIN VALVE

6

YM261060-80752

BOLT

7

YM261060-81002

BOLT

8

YM123910-34802

DIPSTICK

9

YM123945-34810

GUIDE, DIPSTICK TUBE

10

YM119005-35100

FILTER, OIL

12

YM123910-35000

PIPE, OIL SUCTION

13

YM243140-00180

O-RING

14

YM261060-80122

BOLT

15

YM261060-80162

BOLT

16

YM243112-40100

O-RING

17

YM119260-34810

GUIDE, DIPSTICK

Выбрано товаров: 15