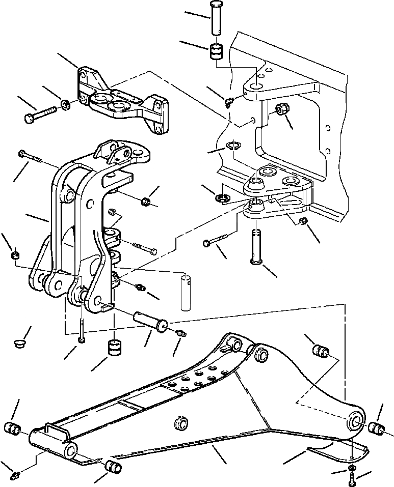
Запчасти Komatsu WB150-2N FIG. T-A ЭКСКАВАТ. СТРЕЛА И ПОВОРОТН. БЛОК РАБОЧЕЕ ОБОРУДОВАНИЕ

Схема запчастей Komatsu WB150-2N - FIG. T-A ЭКСКАВАТ. СТРЕЛА И ПОВОРОТН. БЛОК РАБОЧЕЕ ОБОРУДОВАНИЕ
24
25
14
23
16
15
17
22
12
21
13
8
12
20
19
18
4
26
2
10
4
11
9
3
2
4
5
1
6
7
3
FIT
1:1
100%

Артикул

Название

Примечание

Количество

1

312708052

BOOM

2

500210034

BUSHING

3

500212005

BUSHING

4

860010007

FITTING, GREASE

5

312708053

PLATE, BOOM PROTECTION

6

801015110

BOLT

7

802170002

WASHER

8

312704612

BRACKET, SWING

9

312704604

BUSHING

10

312704608

PIN, BOOM

11

801015584

BOLT

12

801880212

NUT, LOCK

13

801015586

BOLT

14

312703624

BRACKET, SUPPORT

15

801015291

BOLT

16

802060024

WASHER

17

801920112

NUT

18

312704602

PIN, LOWER SWING BRACKET

19

801015586

BOLT

20

801880212

NUT, LOCK

21

390606064

SPACER, SWING BRACKET

22

802770024

RING, SNAP

23

860030004

FITTING, GREASE

24

390597065

PIN, UPPER SWING BRACKET

25

312704603

BUSHING

26

500610633

PLUG

Выбрано товаров: 26