Запчасти Komatsu WB150-2N FIG. T-A ЭКСКАВАТ. СТРЕЛА БЕЗОПАСН. БЛОКИР. РАБОЧЕЕ ОБОРУДОВАНИЕ

Схема запчастей Komatsu WB150-2N - FIG. T-A ЭКСКАВАТ. СТРЕЛА БЕЗОПАСН. БЛОКИР. РАБОЧЕЕ ОБОРУДОВАНИЕ
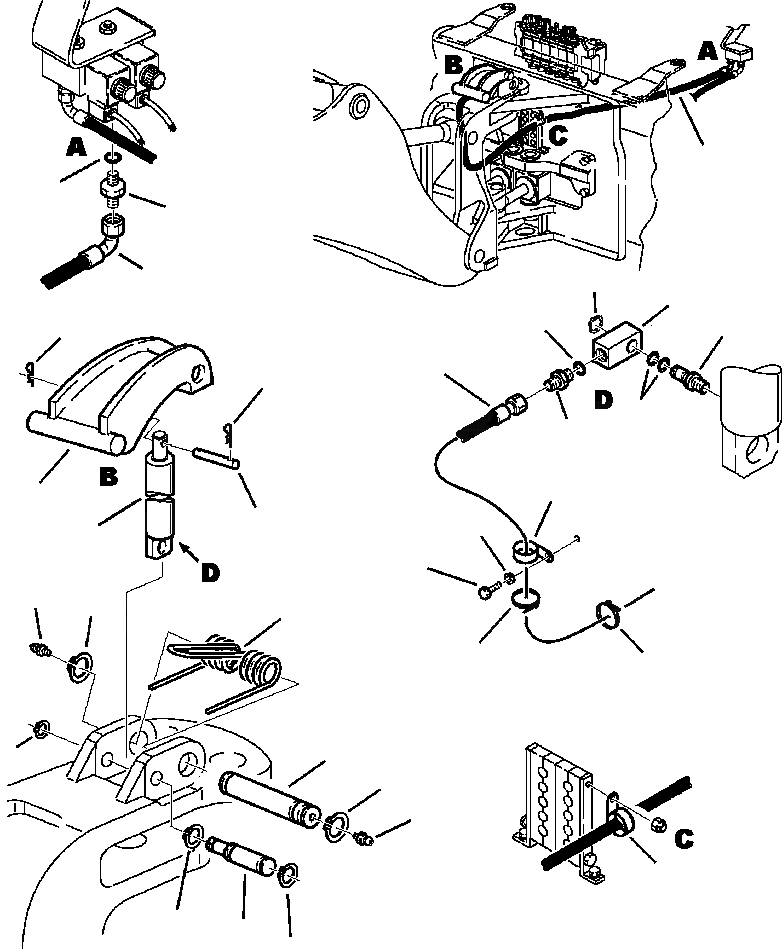
3
2
1
3
16
15
18
13
6
3
6
14
17
4
22
5
20
7
19
24
9
23
21
21
12
8
9
24
4
11
10
11
FIT
1:1
100%

Артикул

Название

Примечание

Количество

1

500351755

UNION

2

855051111

O-RING

3

392078001

HOSE

4

802660501

CLAMP

5

312715630

PIN, SAFETY LOCK CYLINDER

6

802610040

PIN, COTTER

8

312715641

PIN, SAFETY LOCK BRACKET

9

802250025

RING, SNAP

10

312715631

PIN, SAFETY LOCK CYLINDER

11

802250015

RING, SNAP

12

802250010

RING, SNAP

13

312715625

UNION

14

855021610

O-RING

15

312715626

UNION

16

802250010

RING, SNAP

17

500351754

UNION

18

855051011

O-RING

19

801015086

BOLT

20

802170001

WASHER

21

885180004

TIE STRAP

22

312715629

BRACKET, BOOM SAFETY LOCK

23

312715639

SPRING

24

860010001

FITTING

Выбрано товаров: 23