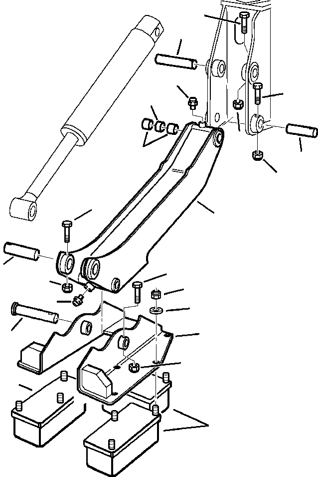
Запчасти Komatsu WB150-2N FIG. T-A ЭКСКАВАТ. ОПОРАS - SOLID РЕЗИН. ПОДУШКАS РАБОЧЕЕ ОБОРУДОВАНИЕ

Схема запчастей Komatsu WB150-2N - FIG. T-A ЭКСКАВАТ. ОПОРАS - SOLID РЕЗИН. ПОДУШКАS РАБОЧЕЕ ОБОРУДОВАНИЕ
16
14
4
16
2
17
3
15
17
6
1
5
9
7
13
4
18
11
8
10
12
12
FIT
1:1
100%

Артикул

Название

Примечание

Количество

1

312702059

OUTRIGGER, STABILIZER

2

500250024

SPACER

3

500212014

BUSHING

4

860010007

FITTING, GREASE

5

390597056

PIN, CYLINDER/STABILIZER

6

801015584

BOLT

7

801880212

NUT, LOCK

8

312302059

PIN, FOOT

9

801015582

BOLT

10

801880212

NUT, LOCK

11

312702054

PAD, METAL

12

312702608

PAD, PEGGED RUBBER

13

801880212

NUT, LOCK

14

390597057

PIN, CYLINDER/FRAME

15

390597058

PIN, STABILIZER/FRAME

16

801015584

BOLT

17

801880212

NUT, LOCK

18

802170003

WASHER

Выбрано товаров: 18