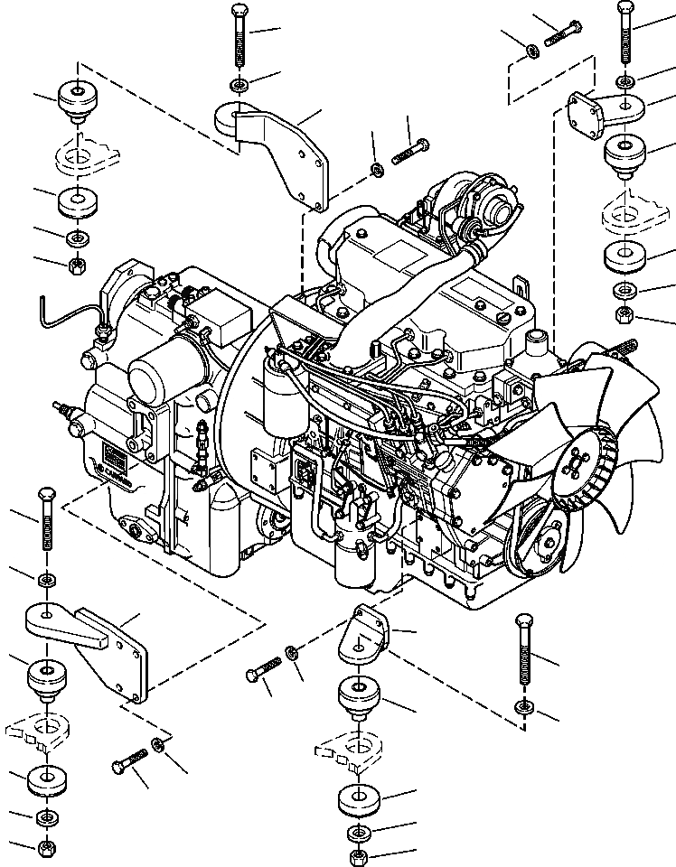
Запчасти Komatsu WB150-2N FIG. B-A КРЕПЛЕНИЕ ДВИГАТЕЛЯ - II КОМПОНЕНТЫ ДВИГАТЕЛЯ

Схема запчастей Komatsu WB150-2N - FIG. B-A КРЕПЛЕНИЕ ДВИГАТЕЛЯ - II КОМПОНЕНТЫ ДВИГАТЕЛЯ
2
7
3
7
8
8
4
1
5
2
3
4
4
10
4
9
10
9
7
8
6
1
4
7
3
2
4
8
4
3
4
2
10
10
9
9
FIT
1:1
100%

Артикул

Название

Примечание

Количество

1

312607089

SUPPORT, MOTOR

2

801015136

BOLT

3

802170003

WASHER

4

808001070

DAMPER

5

312607065

SUPPORT, LEFT

6

312607062

SUPPORT, RIGHT

7

801015661

BOLT

8

802170007

WASHER

9

801880220

NUT, LOCK

10

390605087

WASHER

Выбрано товаров: 10