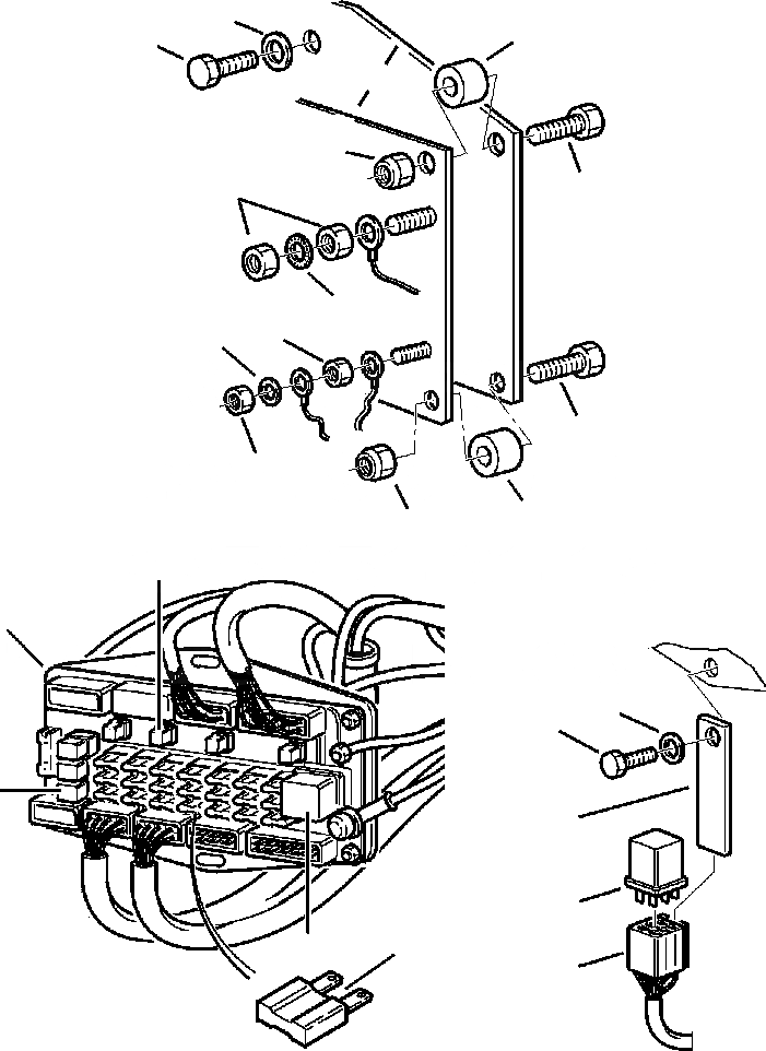
Запчасти Komatsu WB150-2N FIG. E-A ПРЕДОХРАНИТЕЛЬ КОРПУС ЭЛЕКТРИКА

Схема запчастей Komatsu WB150-2N - FIG. E-A ПРЕДОХРАНИТЕЛЬ КОРПУС ЭЛЕКТРИКА
11
6
10
4
7
5
8
12
9
13
5
9
6
7
1
4
11
10
14
15
16
3
2
17
FIT
1:1
100%

Артикул

Название

Примечание

Количество

|$0

312612195

FUSE BOX

1

885071046

RELAY

2

885151012

RELAY, INTERMITTENCE

3

885091006

FUSE, 7.5 AMP

|$4

885091007

FUSE, 10 AMP

|$5

885091008

FUSE, 15 AMP

|$6

885091012

FUSE, 3 AMP

4

885071038

PLATE

5

801250033

BOLT

6

885411479

DAMPER

7

801852204

NUT, LOCK

8

801703206

NUT

9

801703205

NUT

10

801015096

BOLT

11

802170001

WASHER

12

802120006

WASHER, SPRING

13

802150505

WASHER

14

885071043

RELAY

|$18

312612193

SENSOR, 4 SPEED WIRING

15

885071027

SUPPORT

16

885071048

RELAY

17

885201109

RECEPTACLE

Выбрано товаров: 22