Качественные детали и логистика
Оригинальные и аналоговые запчасти с доставкой по России, Казахстану и Беларуси
©2022 PartSell ООО "Система" ИНН 2463123282 ОГРН 1212400004838
Центральный офис: г. Красноярск, Академика Киренского, д.87, пом.4
Телефон: 8 (800) 777-65-74 Email: zakaz@partsell.ru
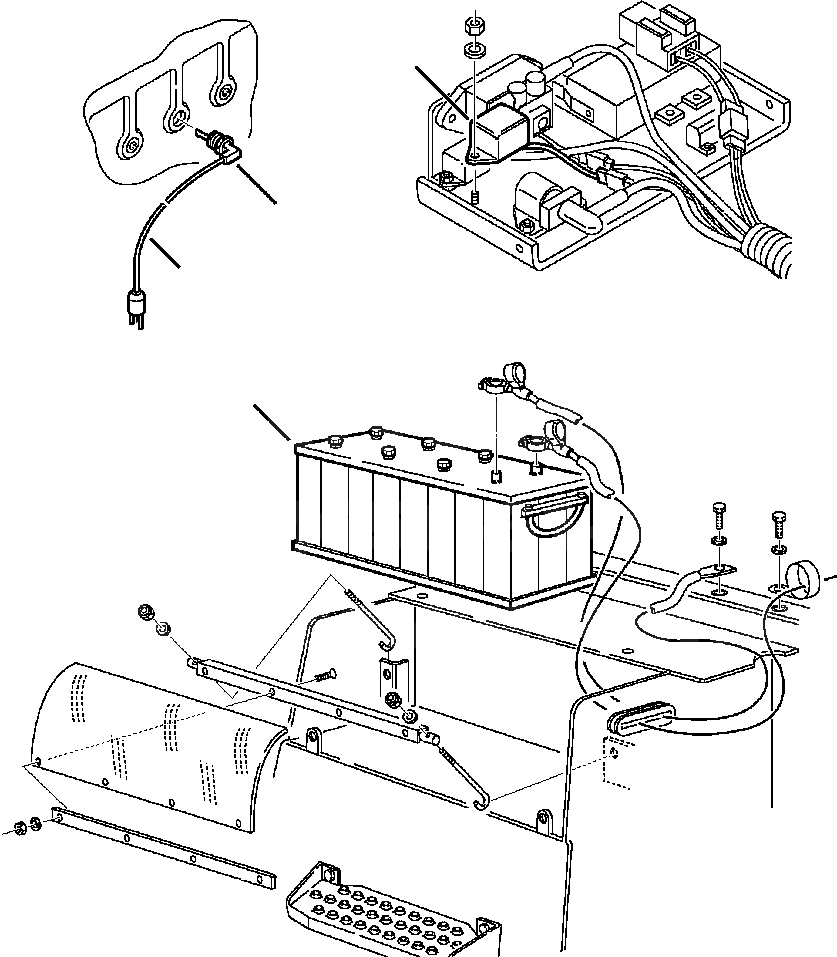
FIG. E-A ЭЛЕКТРИКА - ARCTIC ВЕРСИЯ
№
Артикул
Название
Примечание
Количество
1
YMR002264
RELAY, PREHEAT TIMER
2
YMR002265
HEATER, BLOCK
3
NSS
CABLE, HEATER
4
885011017
BATTERY, ARCTIC
Выбрано товаров: 0