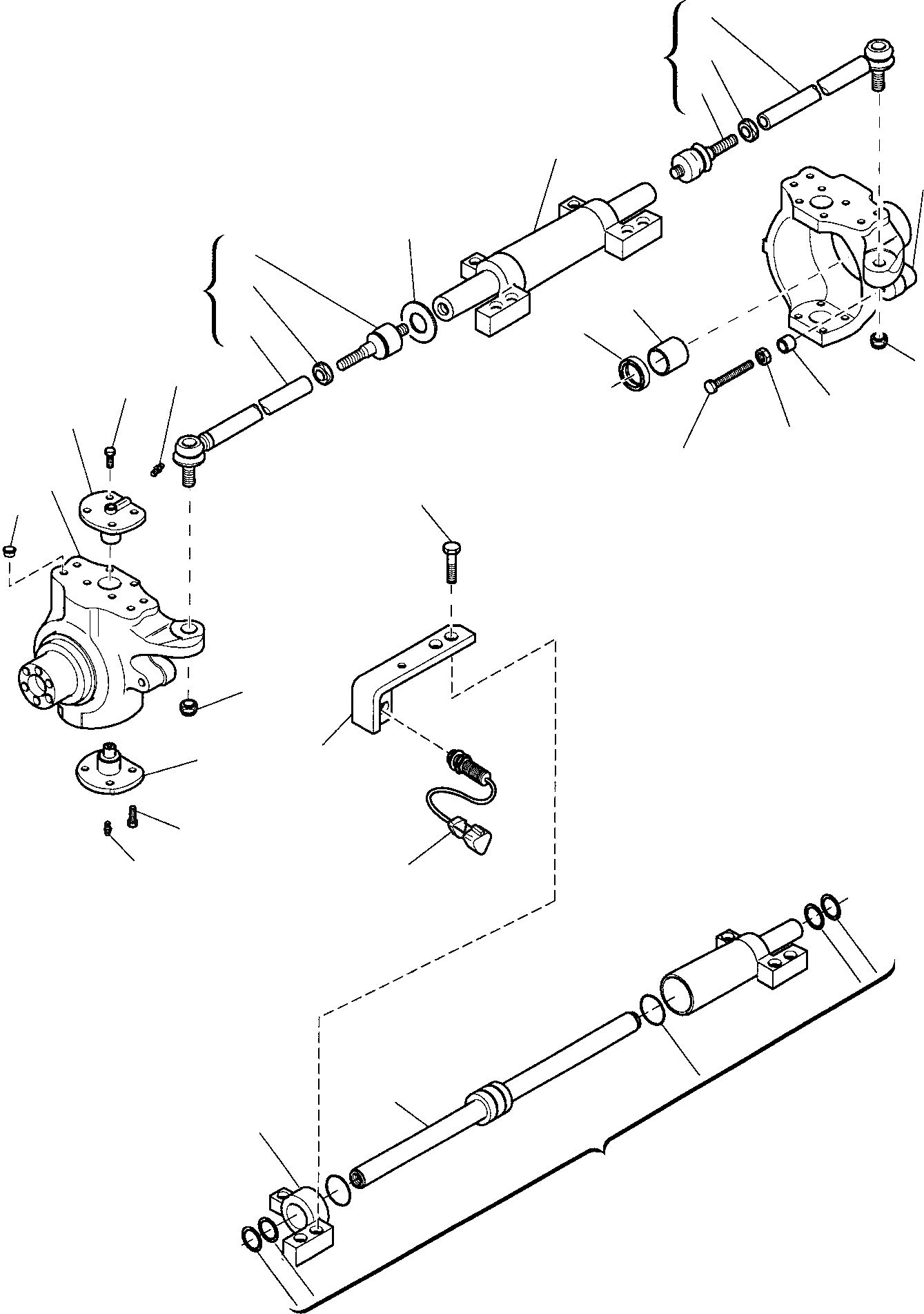
Запчасти Komatsu WB150AWS-2 ПЕРЕДНИЙ МОСТ (/7) РАМА

Схема запчастей Komatsu WB150AWS-2 - ПЕРЕДНИЙ МОСТ (/7) РАМА
11
10
8
9
13
14
12
9
10
8
16
15
11
7
1
2
19
3
18
17
4
20
5
7
21
6
2
22
1
24
23
25
FIT
1:1
100%

Артикул

Название

Примечание

Количество

\0

200040629

FRONT AXLE, ASSY

1

CA0024210

GREASER NIPPLE

3

CA0130631

KING PIN

4

CA0138930

SWIVEL HOUSING

5

CA0030755

PLUG

6

CA0130632

KING PIN

8

CA0140921

STEERING ARM ASSY

9

CA0351504

BALL JOINT

11

CA0351968

TIE ROD

12

CA0139103

WASHER

13

CA0137955

STEERING CYLINDER

14

CA0138931

SWIVEL HOUSING RH

15

CA0125235

SEAL RING

17

CA0124748

BOLT

18

CA0022129

NUT

19

CA0128278

BUSH

20

CA0021231

BOLT

21

CA0139105

BRACKET

23

CA0049082

CYLINDER HEAD

24

CA0049081

ROD

25

CA0049080

SEAL KIT

Выбрано товаров: 0