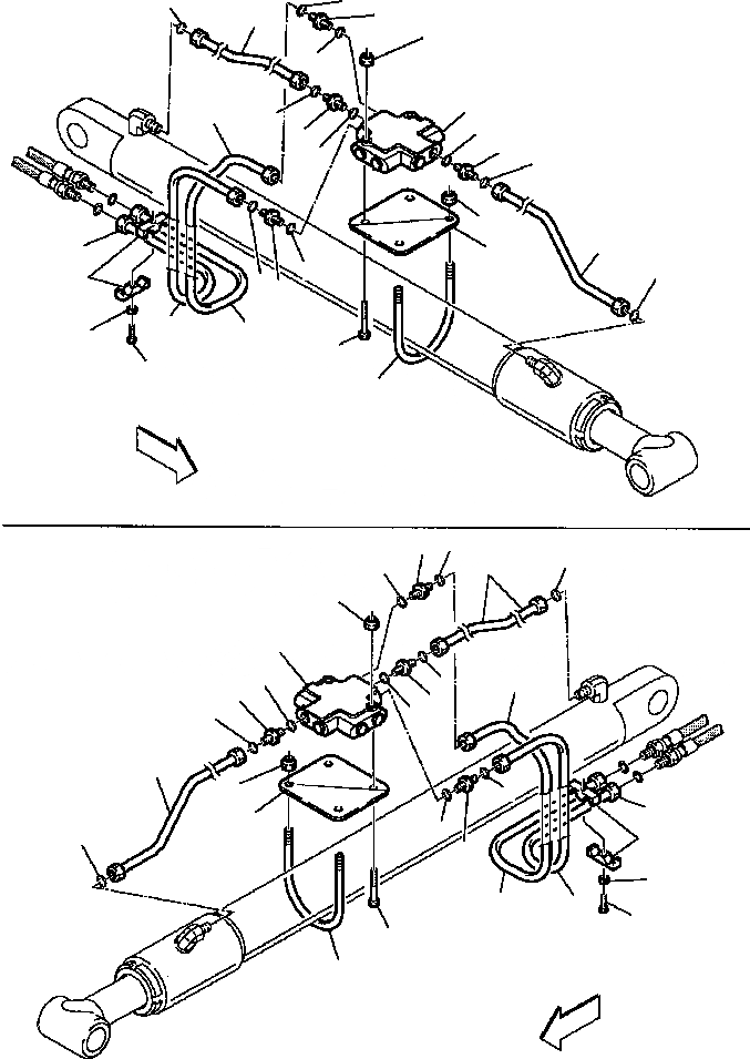
Запчасти Komatsu WB150AWS-2N FIG. H-A ГИДРОЛИНИЯ - ЦИЛИНДР ПОДЪЕМА ПОГРУЗ. КОВША КЛАПАН БЕЗОПАСНОСТИ ГИДРАВЛИКА

Схема запчастей Komatsu WB150AWS-2N - FIG. H-A ГИДРОЛИНИЯ - ЦИЛИНДР ПОДЪЕМА ПОГРУЗ. КОВША КЛАПАН БЕЗОПАСНОСТИ ГИДРАВЛИКА
13
4
2
12
9
3
1
15
4
3
2
2
3
4
7
10
14
5
3
13
18
4
2
14
15
19
8
20
6
4
2
13
3
12
9
1
3
17
4
2
2
4
3
11
7
4
16
5
3
13
18
2
20
17
16
19
8
6
FIT
1:1
100%

Артикул

Название

Примечание

Количество

1

845230001

VALVE

2

500380078

UNION

3

855670003

O-RING

4

855051016

O-RING

5

312637050

PLATE, VALVE SUPPORT

6

312637601

FASTENER (U-BOLT)

7

801880001

NUT, SELF-LOCKING

8

801015551

BOLT

9

801880408

NUT, SELF-LOCKING

10

312637057

PIPE, R.H. LIFTING

11

312637089

PIPE, L.H. LIFTING

12

312637085

PIPE, LIFTING

13

855051016

O-RING

14

312637087

PIPE R.H.(CYLINDER END)

15

312637088

PIPE, R.H.(ROD)

16

312637090

PIPE L.H.(CYLINDER END)

17

312637091

PIPE L.H.(ROD)

18

200390970

BUCKLE

19

801015089

BOLT

20

802170001

WASHER

Выбрано товаров: 20