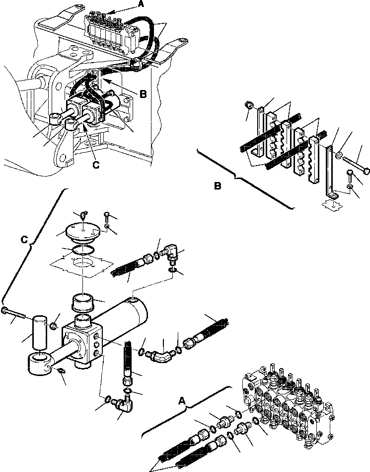
Запчасти Komatsu WB150AWS-2N FIG. H7-A ГИДРОЛИНИЯ - ЦИЛИНДР ПОВОРОТА СТРЕЛЫ ЛИНИЯ ГИДРАВЛИКА

Схема запчастей Komatsu WB150AWS-2N - FIG. H7-A ГИДРОЛИНИЯ - ЦИЛИНДР ПОВОРОТА СТРЕЛЫ ЛИНИЯ ГИДРАВЛИКА
17
1
21
24
24
21
26
27
20
25
8
9
1
22
23
19
7
15
18
16
5
6
20
14
13
20
7
12
6
5
11
1
10
7
3
2
6
4
5
3
2
4
1
FIT
1:1
100%

Артикул

Название

Примечание

Количество

1

392860007

HOSE

2

500380123

UNION

3

855051119

O-RING

4

855051012

O-RING

5

500380503

UNION, ELBOW

6

855051111

O-RING

7

855051012

O-RING

10

860010007

FITTING, GREASE

11

390597062

PIN, CYLINDER

12

801015584

BOLT

13

801880212

NUT, SELF-LOCKING

14

500213511

BUSHING

15

500014689

PLUG (CAP)

16

855021836

O-RING

17

801015086

BOLT

18

802170001

WASHER

19

860030004

FITTING, GREASE

20

392860003

HOSE

21

312707611

SUPPORT, CLAMP

22

801015110

BOLT

23

802170002

WASHER

24

312707610

CLAMP, HOSE

|$24

312707108

CLAMP, HOSE

25

801014810

BOLT

26

802170001

WASHER

27

801880208

NUT, SELF-LOCKING

Выбрано товаров: 26