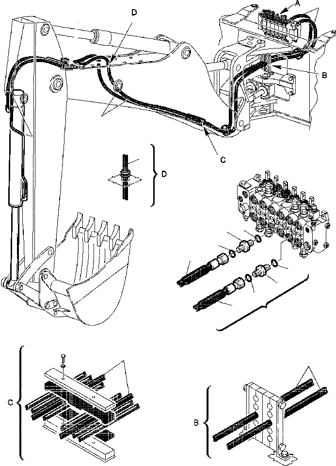
Запчасти Komatsu WB150AWS-2N FIG. H7-A ГИДРОЛИНИЯ - УПРАВЛЯЮЩ. КЛАПАН - ЦИЛИНДР КОВША ГИДРАВЛИКА

Схема запчастей Komatsu WB150AWS-2N - FIG. H7-A ГИДРОЛИНИЯ - УПРАВЛЯЮЩ. КЛАПАН - ЦИЛИНДР КОВША ГИДРАВЛИКА
4
1
2
3
1
4
5
3
4
2
4
4
4
FIT
1:1
100%

Артикул

Название

Примечание

Количество

1

500380113

UNION

2

855051119

O-RING

3

855051018

O-RING

4

392860006

HOSE

5

312708621

BUSHING, HOSE

Выбрано товаров: 5