Качественные детали и логистика
Оригинальные и аналоговые запчасти с доставкой по России, Казахстану и Беларуси
©2022 PartSell ООО "Система" ИНН 2463123282 ОГРН 1212400004838
Центральный офис: г. Красноярск, Академика Киренского, д.87, пом.4
Телефон: 8 (800) 777-65-74 Email: zakaz@partsell.ru
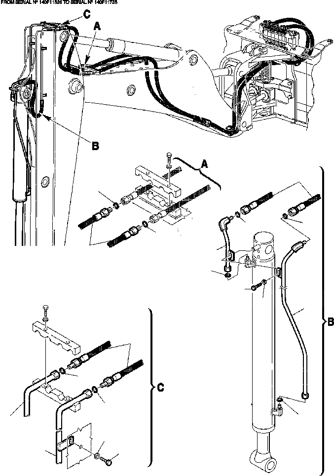
FIG. H77-A ГИДРОЛИНИЯ - ФИКСИР. РУКОЯТЬ ЦИЛИНДР КОВША
№
Артикул
Название
Примечание
Количество
1
312739067
PIPE
2
855051016
O-RING
3
312739066
4
392860009
HOSE
5
312739055
R.H. PIPE
6
312739056
L.H. PIPE
7
801015111
BOLT
8
802170002
WASHER
9
10
392862001
11
12
801015108
Выбрано товаров: 12