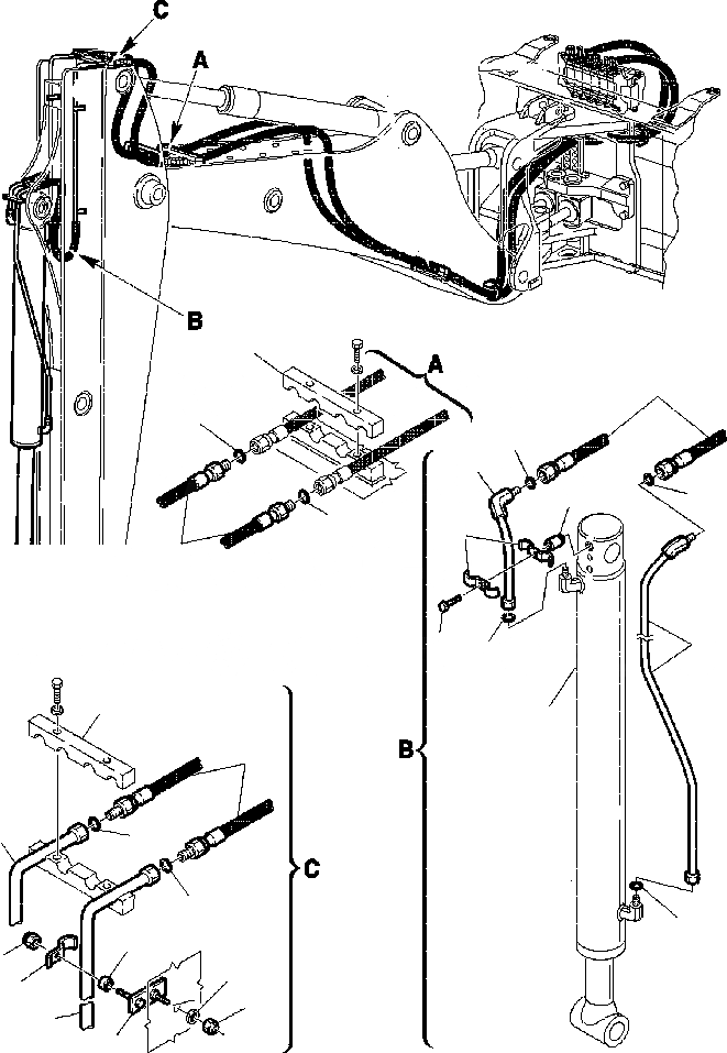
Запчасти Komatsu WB150AWS-2N FIG. H77-A ГИДРОЛИНИЯ - ЦИЛИНДР КОВША ФИКСИР. РУКОЯТЬ ГИДРАВЛИКА

Схема запчастей Komatsu WB150AWS-2N - FIG. H77-A ГИДРОЛИНИЯ - ЦИЛИНДР КОВША ФИКСИР. РУКОЯТЬ ГИДРАВЛИКА
18
11
11
10
11
4
8
17
2
3
16
2
5
6
2
20
14
11
1
2
15
9
10
13
7
12
19
FIT
1:1
100%

Артикул

Название

Примечание

Количество

1

312739073

PIPE

2

855051016

O-RING

3

312739072

PIPE

4

392860009

HOSE

5

312739620

SPACER

6

312739623

CLAMP

7

801015560

BOLT

8

312739074

PIPE, R.H.

9

312739075

PIPE, L.H.

10

392862001

HOSE

11

855051018

O-RING

12

312739069

PLATE

13

801880208

SELF-LOCKING NUT

14

802170001

WASHER

15

312739624

SPACER

16

312739622

CLAMP

17

801880001

SELF-LOCKING NUT

Выбрано товаров: 17