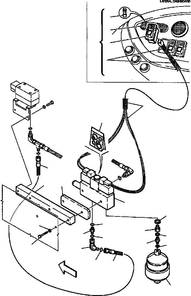
Запчасти Komatsu WB150AWS-2N FIG. H9-A ГИДРОЛИНИЯ - РЕГУЛИР. ПЛАВНОСТИ ХОДА (ОПЦИОНН.) ГИДРАВЛИКА

Схема запчастей Komatsu WB150AWS-2N - FIG. H9-A ГИДРОЛИНИЯ - РЕГУЛИР. ПЛАВНОСТИ ХОДА (ОПЦИОНН.) ГИДРАВЛИКА
7
6
4
5
4
3
19
20
1
2
10
9
17
11
16
12
18
13
14
8
21
22
19
15
FIT
1:1
100%

Артикул

Название

Примечание

Количество

1

312691602

SUPPORT

2

845010307

RIDE CONTROL ELECTRO-VALVE

3

NSS

GASKET KIT

4

885270649

WIRING ASSEMBLY

5

885081155

SWITCH

6

885141225

COVER GLASS

7

885141072

LAMP

8

801015561

BOLT

9

802170002

WASHER

10

855150078

GASKET

11

390021047

UNION

12

855150054

GASKET

13

500360815

UNION

14

855150039

GASKET

15

847001021

ACCUMULATOR

16

500380106

UNION

17

855051111

O-RING

18

855051014

O-RING

19

392400020

HOSE

20

312691606

PLATE

21

500380342

45В° UNION

22

855051014

O-RING

Выбрано товаров: 22