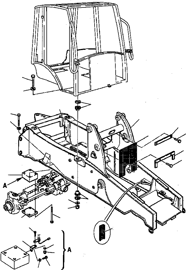
Запчасти Komatsu WB150AWS-2N FIG. J-A РАМА ОСНОВНАЯ РАМА И ЕЕ ЧАСТИ

Схема запчастей Komatsu WB150AWS-2N - FIG. J-A РАМА ОСНОВНАЯ РАМА И ЕЕ ЧАСТИ
12
3
4
15
7
11
10
8
6
1
10
9
14
8
18
16
21
19
19
2
13
5
17
20
18
FIT
1:1
100%

Артикул

Название

Примечание

Количество

1

312601067

FRAME, HORIZONTAL OUTRIGGER

2

312606615

PLATE

3

801015655

BOLT

4

802170007

NUT, SELF-LOCKING

5

312606616

WASHER

6

312605755

PANEL, SQUAB

7

312605756

BAR, RETAINER

8

801015112

BOLT

9

312605106

BRACKET, RETAINER

10

808001069

DAMPER

11

801015661

BOLT

12

802170007

WASHER

13

801880220

NUT, SELF-LOCKING

14

390605087

WASHER

15

312610648

GASKET

16

3126066606

BOLT

17

312606617

PLATE

18

801015086

BOLT

19

802170001

WASHER

20

801880208

SELF-LOCKING NUT

21

312601709

GASKET

Выбрано товаров: 21