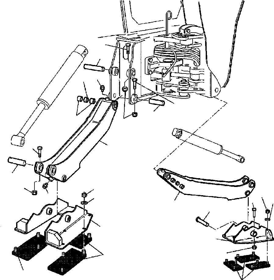
Запчасти Komatsu WB150AWS-2N FIG. T7-A ГОРИЗОНТАЛЬН. ОПОРА - PEGGED ПОДУШКАS РАБОЧЕЕ ОБОРУДОВАНИЕ

Схема запчастей Komatsu WB150AWS-2N - FIG. T7-A ГОРИЗОНТАЛЬН. ОПОРА - PEGGED ПОДУШКАS РАБОЧЕЕ ОБОРУДОВАНИЕ
16
14
4
2
16
15
3
17
1
6
5
7
13
13
4
18
9
18
1
8
11
11
10
12
12
12
FIT
1:1
100%

Артикул

Название

Примечание

Количество

1

312702059

OUTRIGGER, STABILIZER

2

500250024

SPACER

3

500212014

BUSHING

4

860010007

FITTING, GREASE

5

390597056

PIN, CYLINDER/STABILIZER

6

801015584

BOLT

7

801880212

NUT, SELF-LOCKING

8

312302059

PIN, FOOT

9

801015582

BOLT

10

801880212

NUT, SELF-LOCKING

11

312702054

FOOT

12

312702608

FOOT, RUBBERIZED

13

801880212

NUT, SELF-LOCKING

14

390597057

PIN, CYLINDER/FRAME

15

390597058

PIN, STABILIZER/FRAME

16

801015584

BOLT

17

801880212

NUT, SELF-LOCKING

18

802170003

WASHER

Выбрано товаров: 18