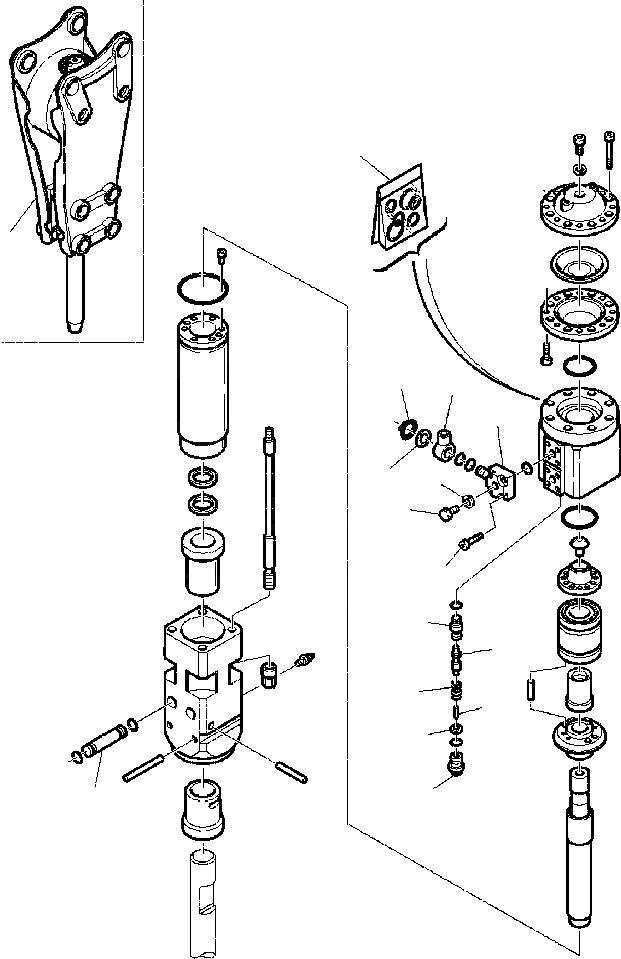
Запчасти Komatsu WB150AWS-2N FIG. T78-A МОЛОТ M - НИЖН. ASSEMBLY РАБОЧЕЕ ОБОРУДОВАНИЕ

Схема запчастей Komatsu WB150AWS-2N - FIG. T78-A МОЛОТ M - НИЖН. ASSEMBLY РАБОЧЕЕ ОБОРУДОВАНИЕ
1
2
9
12
16
10
8
4
7
6
5
13
14
11
15
3
FIT
1:1
100%

Артикул

Название

Примечание

Количество

2

827010424

GASKET KIT

3

827010370

RETAINER

4

827010388

LINKAGE

5

827010393

SCREW

6

827010390

PLUG

7

827010389

GASKET

8

827010391

UNION

9

827010366

WASHER

10

827010392

SNAP RING

11

827010395

CYLINDER

12

827010397

PISTON

13

827010398

SPRING

14

827010400

SPACER CYLINDER

15

827010261

SHIM

16

827010401

PLUG

Выбрано товаров: 15