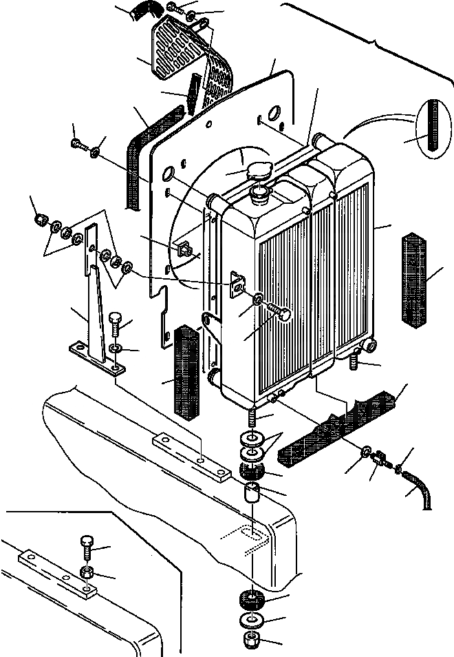
Запчасти Komatsu WB150AWS-2N FIG. C-A РАДИАТОР СИСТЕМА ОХЛАЖДЕНИЯ

Схема запчастей Komatsu WB150AWS-2N - FIG. C-A РАДИАТОР СИСТЕМА ОХЛАЖДЕНИЯ
28
33
8
1
3
27
4
34
32
7
8
5
6
25
26
2
9
15
35
35
20
21
24
23
22
14
16
15
14
12
19
11
18
17
10
29
30
31
11
12
13
FIT
1:1
100%

Артикул

Название

Примечание

Количество

1

312607124

COMPLETE RADIATOR

2

875600001

BODY, COMPLETE RADIATOR

3

875600002

SHROUD

4

875600003

SPACER, SHROUD (WALL)

5

875600004

GASKET

6

875600005

CAP, RADIATOR

7

801014046

BOLT

8

802070006

WASHER

9

875600006

NUT

10

875600007

SPACER

11

875600008

DAMPER, RUBBER

12

875600009

WASHER

13

801852412

NUT

14

801520066

STUD

15

312607767

GASKET

16

312607766

GASKET

17

312607130

COCK, DRAIN

18

855051111

O-RING

19

802660617

CLAMP

20

312607091

SUPPORT, RADIATOR

21

801015087

BOLT

22

802170001

WASHER

23

801015547

BOLT

24

802170001

WASHER

25

801880208

NUT, SELF-LOCKING

26

500411236

DAMPER, RUBBER

27

312607132

PROTECTION

28

801015067

BOLT

29

312607784

PIPE

30

801015593

BOLT

31

801920107

NUT

32

312607796

GASKET

33

312607804

GASKET

34

312607805

GASKET

35

802148010

RUBBER WASHER

Выбрано товаров: 35