Качественные детали и логистика
Оригинальные и аналоговые запчасти с доставкой по России, Казахстану и Беларуси
©2022 PartSell ООО "Система" ИНН 2463123282 ОГРН 1212400004838
Центральный офис: г. Красноярск, Академика Киренского, д.87, пом.4
Телефон: 8 (800) 777-65-74 Email: zakaz@partsell.ru
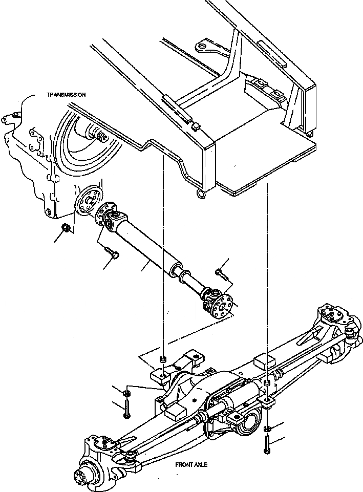
FIG. F-A ПЕРЕДН. КАРДАНН. ВАЛ И ПЕРЕДНИЙ МОСТ КРЕПЛЕНИЕ
№
Артикул
Название
Примечание
Количество
1
801015657
BOLT
2
802170007
WASHER
3
312606055
SHAFT
4
801025031
5
801015556
6
801880001
SELF-LOCKING NUT
Выбрано товаров: 0