Качественные детали и логистика
Оригинальные и аналоговые запчасти с доставкой по России, Казахстану и Беларуси
©2022 PartSell ООО "Система" ИНН 2463123282 ОГРН 1212400004838
Центральный офис: г. Красноярск, Академика Киренского, д.87, пом.4
Телефон: 8 (800) 777-65-74 Email: zakaz@partsell.ru
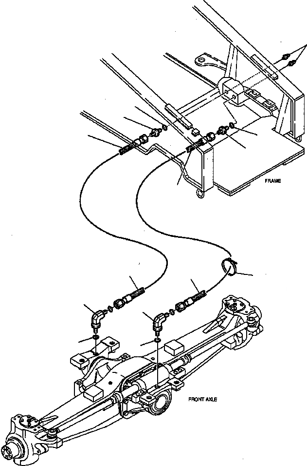
FIG. F-A СИСТЕМА СМАЗКИ МОСТА
№
Артикул
Название
Примечание
Количество
1
860010007
FITTING, GREASE
2
500358752
UNION
3
855670020
O-RING
4
392363045
HOSE
5
392363058
PIPE
6
885180004
WRAPPER
7
500358154
8
855670006
Выбрано товаров: 0