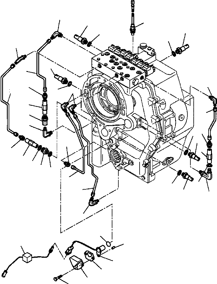
Запчасти Komatsu WB150AWS-2N FIG. F8-A ТРАНСМИССИЯ - ТРУБЫ & ДАТЧИКS СИЛОВАЯ ПЕРЕДАЧА И КОНЕЧНАЯ ПЕРЕДАЧА

Схема запчастей Komatsu WB150AWS-2N - FIG. F8-A ТРАНСМИССИЯ - ТРУБЫ & ДАТЧИКS СИЛОВАЯ ПЕРЕДАЧА И КОНЕЧНАЯ ПЕРЕДАЧА
5
3
1
4
2
2
5
4
22
5
7
2
21
5
8
6
23
5
7
2
4
13
8
7
8
9
20
2
12
9
2
11
4
10
5
19
24
14
15
16
17
18
FIT
1:1
100%

Артикул

Название

Примечание

Количество

1

CA0138643

PRESSURE SENSOR

2

CA0023287

WASHER

3

CA0143687

OIL TEMP. SENSOR

4

CA0138644

PRESSURE SENSOR

5

CA0134919

ELBOW

6

CA0140304

PIPE

7

CA0140334

CONNECTION

8

CA0139990

ANTI-SHOCK VALVE KIT

9

CA0023281

WASHER

10

CA0140335

ELBOW

11

CA0138764

PIPE FORWARD

12

CA0138763

PIPE

13

CA0137595

CONNECTION

14

CA0117385

PIN

15

CA0134513

SENSOR

16

CA0133387

SENSOR GASKET

17

CA0138572

SENSOR COVER

18

CA0020780

BOLT

19

CA0028531

O-RING

20

CA0140336

CONNECTION

21

CA0140305

PIPE

22

CA0140303

PIPE

23

CA0140333

CONNECTION

24

CA0141399

OPTICAL ISOLATOR

Выбрано товаров: 24