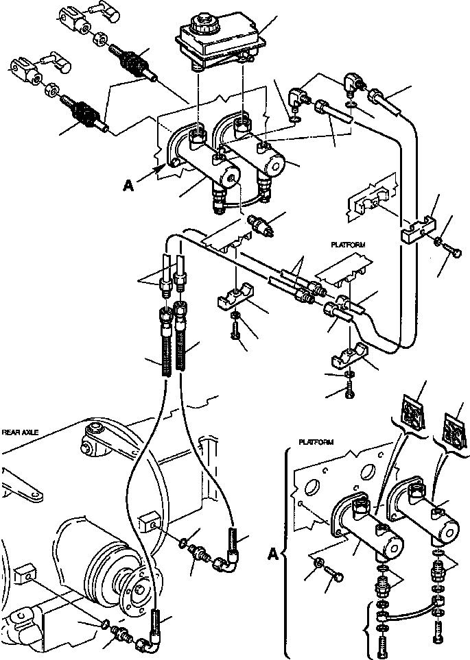
Запчасти Komatsu WB150AWS-2N FIG. H8-A ГИДРОЛИНИЯ - ТОРМОЗН. ГИДРОЛИНИЯ ГИДРАВЛИКА

Схема запчастей Komatsu WB150AWS-2N - FIG. H8-A ГИДРОЛИНИЯ - ТОРМОЗН. ГИДРОЛИНИЯ ГИДРАВЛИКА
12
3
14
15
13
16
15
7
17
1
21
5
23
24
18
18
22
16
19
17
22
21
23
20
19
21
6
2
20
1
26
22
5
4
8
25
10
9
23
26
11
25
FIT
1:1
100%

Артикул

Название

Примечание

Количество

1

880100068

PUMP, BRAKE CYLINDER

2

880100069

GASKET KIT

3

880100058

BELLOWS

4

880100070

VALVE

5

880100071

PUMP, BRAKE CYLINDER

6

880100069

GASKET KIT

7

880100058

BELLOWS

8

880100070

VALVE

9

801015087

BOLT

10

802170001

WASHER

11

880100051

UNION, CONNECTION

12

880011017

TANK, RESERVOIR

13

312617603

ROD

14

500358154

UNION, ELBOW

15

855670006

O-RING

16

312617059

PIPE, L.H. TUBING

17

312617058

PIPE, R.H. TUBING

18

312617060

PIPE

19

818000016

CLAMP

20

801015066

BOLT

21

802170000

WASHER

22

392011176

HOSE (L=650)

23

392011092

HOSE (L=700)

24

885080008

SWITCH, STOP

25

500358752

UNION

26

855670020

O-RING

Выбрано товаров: 26