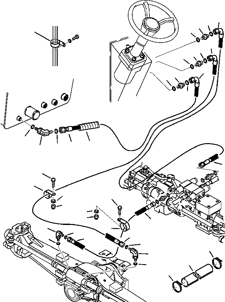
Запчасти Komatsu WB150AWS-2N FIG. H-A ГИДРОЛИНИЯ - ПЕРЕДН. РУЛЕВ. УПРАВЛЕНИЕ ЛИНИИ ГИДРАВЛИКА

Схема запчастей Komatsu WB150AWS-2N - FIG. H-A ГИДРОЛИНИЯ - ПЕРЕДН. РУЛЕВ. УПРАВЛЕНИЕ ЛИНИИ ГИДРАВЛИКА
11
10
8
12
9
11
10
8
9
4
1
2
3
6
4
23
7
5
11
17
16
19
17
18
19
18
22
13
16
15
11
14
22
15
21
13
20
14
21
FIT
1:1
100%

Артикул

Название

Примечание

Количество

1

500380110

CONNECTOR

2

855051617

O-RING

3

855051016

O-RING

4

392405025

HOSE, DRAIN

5

500380376

ELBOW

6

855051617

O-RING

7

855051016

O-RING

8

500380105

CONNECTOR

9

855051617

O-RING

10

855051012

O-RING

11

392865011

HOSE, SOLENOID

12

802660500

CLAMP

13

500380473

ELBOW

14

855670015

O-RING

15

855051011

O-RING

16

802660500

CLAMP

17

801015556

BOLT

18

801880001

NUT, LOCK

19

802170002

WASHER

20

312610641

PROTECTOR, HOSE

21

885180004

TIE STRAP

22

392860031

HOSE, SOLENOID

23

885220341

PROTECTOR, HOSE

Выбрано товаров: 23