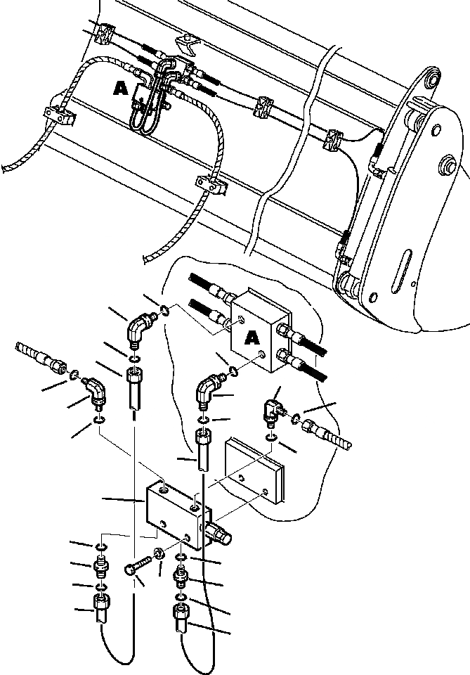
Запчасти Komatsu WB150AWS-2N FIG. H-A ПОГРУЗ. ТРУБЫ - MP ЦИЛИНДР КОВША КЛАПАН БЕЗОПАСНОСТИ ГИДРАВЛИКА

Схема запчастей Komatsu WB150AWS-2N - FIG. H-A ПОГРУЗ. ТРУБЫ - MP ЦИЛИНДР КОВША КЛАПАН БЕЗОПАСНОСТИ ГИДРАВЛИКА
2
3
5
5
9
8
9
9
6
10
12
8
12
10
9
11
11
7
1
5
4
5
4
6
7
FIT
1:1
100%

Артикул

Название

Примечание

Количество

1

845250070

VALVE, SAFETY

2

801015545

BOLT

3

802170001

WASHER

4

500380107

UNION

5

855051113

O-RING

6

312637095

TUBE

7

312637094

TUBE

8

500380508

ELBOW

9

855051113

O-RING

10

500380509

ELBOW

11

855051113

O-RING

12

855051016

O-RING

Выбрано товаров: 12