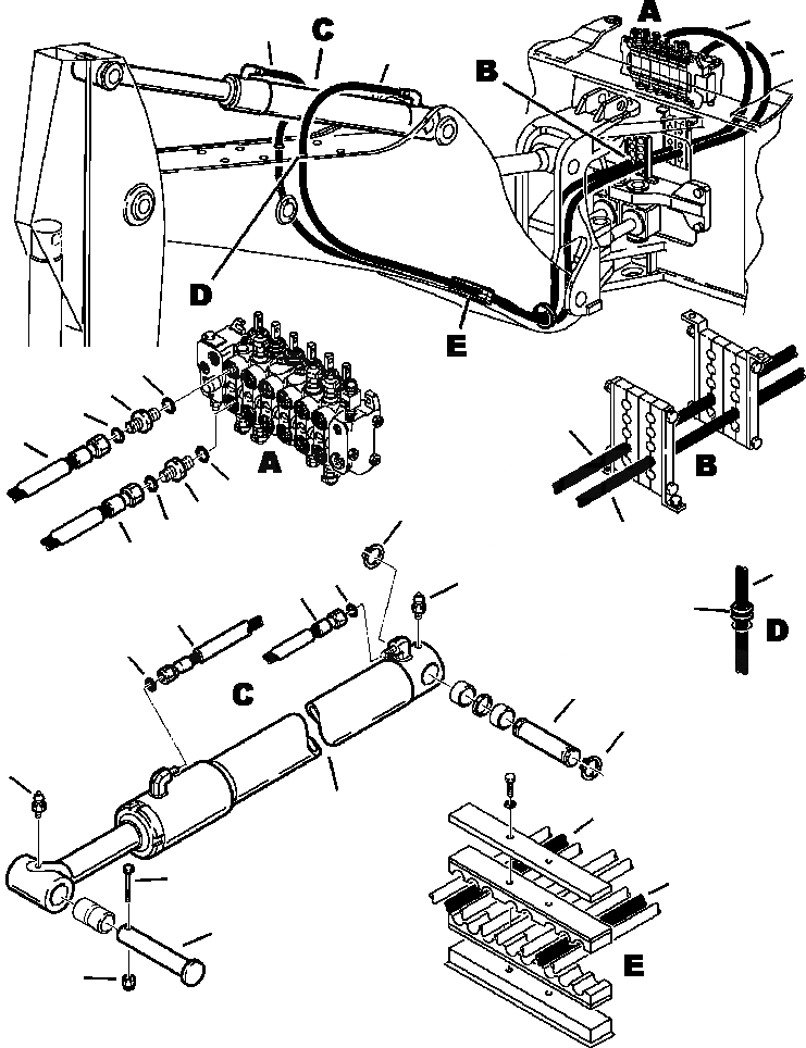
Запчасти Komatsu WB150AWS-2N FIG. H7-A ЭКСКАВАТ. ТРУБЫ - ЦИЛИНДР РУКОЯТИS ГИДРАВЛИКА

Схема запчастей Komatsu WB150AWS-2N - FIG. H7-A ЭКСКАВАТ. ТРУБЫ - ЦИЛИНДР РУКОЯТИS ГИДРАВЛИКА
4
4
5
5
2
1
3
4
4
2
14
1
3
5
4
5
5
9
8
5
6
4
8
13
14
9
4
7
5
11
10
12
FIT
1:1
100%

Артикул

Название

Примечание

Количество

1

500380113

UNION

2

855051119

O-RING

3

855051018

O-RING

4

392860042

HOSE

5

392860041

HOSE

6

312708621

BUSHING, HOSE

8

855051018

O-RING

9

860010007

FITTING, GREASE

10

390597067

PIN, CYLINDER

11

8011055159

BOLT

12

801880212

NUT, LOCK

13

312708617

PIN, CYLINDER

14

802270017

RING, SNAP

Выбрано товаров: 13