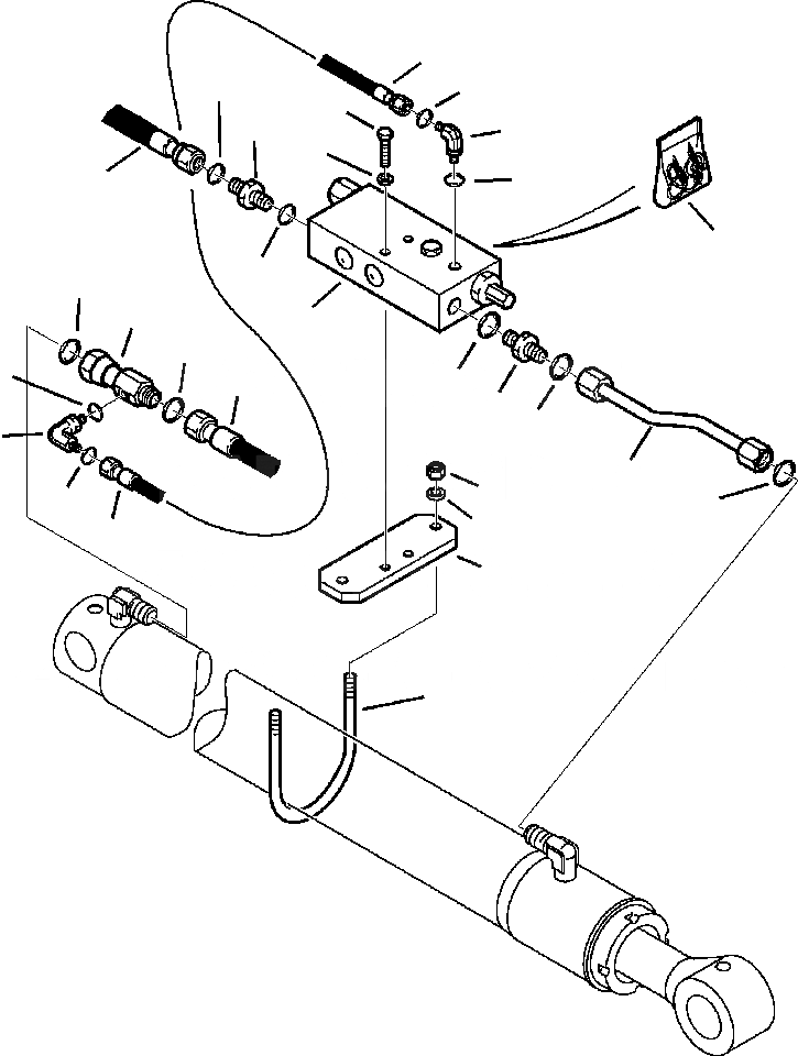
Запчасти Komatsu WB150AWS-2N FIG. H7-A ЭКСКАВАТ. ТРУБЫ - ЦИЛИНДР РУКОЯТИКЛАПАН БЕЗОПАСНОСТИ ГИДРАВЛИКА

Схема запчастей Komatsu WB150AWS-2N - FIG. H7-A ЭКСКАВАТ. ТРУБЫ - ЦИЛИНДР РУКОЯТИКЛАПАН БЕЗОПАСНОСТИ ГИДРАВЛИКА
17
11
16
3
9
14
4
15
20
2
10
13
18
1
19
15
20
10
9
11
14
12
7
16
13
8
17
5
6
FIT
1:1
100%

Артикул

Название

Примечание

Количество

1

845250042

VALVE, SAFETY

2

845250516

KIT, SEAL

3

801015547

BOLT

4

802170001

WASHER

5

312731507

BRACKET, VALVE

6

312731603

U-BOLT

7

801880001

LOCK NUT

8

802170002

WASHER

9

500380113

CONNECTOR

10

885051119

O-RING

11

885051018

O-RING

12

312731072

TUBE

13

885051018

O-RING

14

500380501

ELBOW

15

885051111

O-RING

16

885051011

O-RING

17

392430049

HOSE

18

312731079

T CONNECTOR

19

885051018

O-RING

20

392860036

HOSE

Выбрано товаров: 20