Запчасти Komatsu WB150AWS-2N FIG. H8-A OFFSET РУКОЯТЬ ТРУБЫ - РУКОЯТЬ И ЦИЛИНДР КОВШАS ГИДРАВЛИКА

Схема запчастей Komatsu WB150AWS-2N - FIG. H8-A OFFSET РУКОЯТЬ ТРУБЫ - РУКОЯТЬ И ЦИЛИНДР КОВШАS ГИДРАВЛИКА
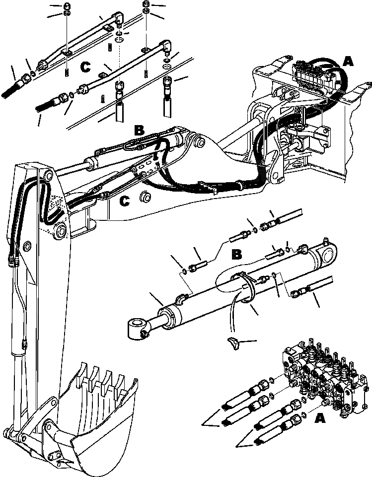
6
6
2
7
7
11
11
11
1
3
13
11
13
1
12
11
11
5
4
11
10
11
12
8
9
12
13
FIT
1:1
100%

Артикул

Название

Примечание

Количество

1

392860018

HOSE

2

312737059

PIPE, RIGHT

3

312737060

PIPE, LEFT

4

312737057

PIPE, ROD

5

312737058

PIPE, BARREL

6

801880001

NUT, LOCK

7

802170002

WASHER

8

802660182

CLAMP, HOSE

9

314507501

WEDGE

11

855051018

O-RING

12

392860036

HOSE

13

392860017

HOSE

Выбрано товаров: 12