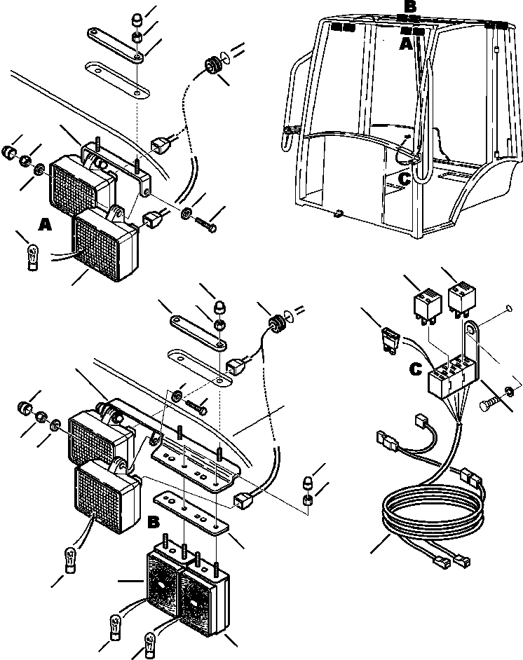
Запчасти Komatsu WB150AWS-2N FIG. K9-A КАБИНА - EIGHT РАБОЧ. ОСВЕЩЕНИЕ КАБИНА ОПЕРАТОРА И СИСТЕМА УПРАВЛЕНИЯ

Схема запчастей Komatsu WB150AWS-2N - FIG. K9-A КАБИНА - EIGHT РАБОЧ. ОСВЕЩЕНИЕ КАБИНА ОПЕРАТОРА И СИСТЕМА УПРАВЛЕНИЯ
6
5
8
20
7
6
5
4
4
3
1
17
17
6
2
8
20
5
16
9
4
6
3
18
5
4
6
15
10
19
14
1
12
13
11
FIT
1:1
100%

Артикул

Название

Примечание

Количество

|$1

816214451

WORK LIGHT

1

885140049

BULB

2

NSS

HOUSING, LIGHT

3

801015547

BOLT

4

802148009

WASHER

5

801880208

NUT, LOCK

6

801920051

COVER, NUT

7

312612169

BRACKET, FRONT

8

312612627

PLATE, MOUNTING

9

312612173

BRACKET, RIGHT REAR

|$11

312612172

BRACKET, LEFT REAR

10

312612629

GASKET

|$13

885111119

RIGHT RED LIGHT

11

885140017

BULB

12

NSS

HOUSING, LIGHT

|$16

885111120

LEFT RED LIGHT

|$17

885140017

BULB

|$18

NSS

HOUSING, LIGHT

|$19

885111121

RIGHT ORANGE LIGHT

13

885140016

BULB

14

NSS

HOUSING, LIGHT

|$22

885111122

LEFT ORANGE LIGHT

|$23

885140016

BULB

|$24

NSS

HOUSING, LIGHT

15

01598-00809

NUT, LOCK

|$26

312612211

WIRING HARNESS

16

885091010

FUSE, 25 AMP

17

885071048

RELAY

18

885071027

BRACKET, MOUNTING

19

NSS

HARNESS

20

885411137

GROMMET, WIRING

Выбрано товаров: 0