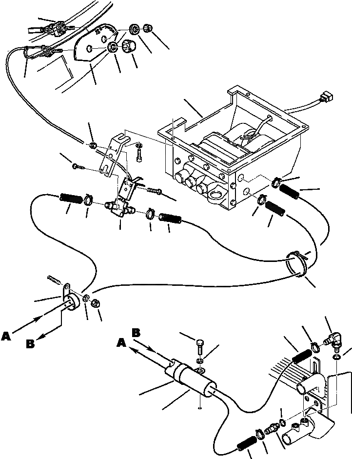
Запчасти Komatsu WB150AWS-2N FIG. K-A ОБОГРЕВАТЕЛЬ. - УПРАВЛ-ЕS И ТРУБЫ КАБИНА ОПЕРАТОРА И СИСТЕМА УПРАВЛЕНИЯ

Схема запчастей Komatsu WB150AWS-2N - FIG. K-A ОБОГРЕВАТЕЛЬ. - УПРАВЛ-ЕS И ТРУБЫ КАБИНА ОПЕРАТОРА И СИСТЕМА УПРАВЛЕНИЯ
3
23
3
1
4
4
2
24
8
6
10
9
7
12
10
10
11
5
10
9
22
13
19
10
14
15
16
11
15
20
13
18
21
17
10
12
FIT
1:1
100%

Артикул

Название

Примечание

Количество

1

816214528

KNOB, CONTROL

2

312632602

PLATE, CONTROL

3

885081140

SWITCH, BLOWER

4

312608068

CABLE, CONTROL

5

816214526

VALVE, WATER CONTROL

6

801370039

SCREW

7

801250029

SCREW

8

801852204

NUT, LOCK

9

852991033

HOSE (800 MM LONG)

10

852660003

CLAMP

11

852991033

HOSE (2500 MM LONG)

12

852991033

HOSE (4000 MM LONG)

13

802660027

CLAMP

14

801852208

NUT, LOCK

15

802170001

WASHER

16

801015086

BOLT

17

390029034

CONNECTOR

18

885051113

O-RING

19

390032022

ELBOW

20

885051113

O-RING

21

312610619

PROTECTION, HOSE

22

885180004

TIE STRAP

23

885081164

KNOB, CONTROL

Выбрано товаров: 23