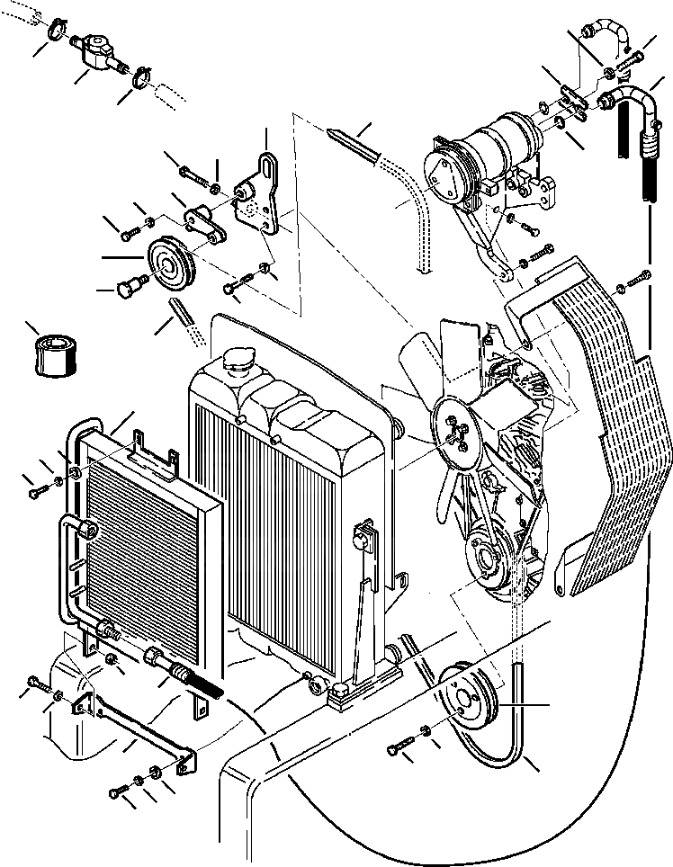
Запчасти Komatsu WB150AWS-2N FIG. K7-A КОНДИЦ. ВОЗДУХА - КОНДЕНСАТОР ТРУБЫ КАБИНА ОПЕРАТОРА И СИСТЕМА УПРАВЛЕНИЯ

Схема запчастей Komatsu WB150AWS-2N - FIG. K7-A КОНДИЦ. ВОЗДУХА - КОНДЕНСАТОР ТРУБЫ КАБИНА ОПЕРАТОРА И СИСТЕМА УПРАВЛЕНИЯ
14
13
15
28
8
27
28
12
17
18
3
16
19
21
20
23
25
22
24
26
12
1
4
3
2
6
8
9
5
3
11
7
10
12
4
3
2
FIT
1:1
100%

Артикул

Название

Примечание

Количество

|$1

880011083

ENGINE RELATED

1

312649113

CONDENSER

2

801015084

BOLT

3

802170001

WASHER

4

880011087

WASHER, SPRING

5

801015086

BOLT

6

801880208

NUT, LOCK

7

312649114

SUPPORT, CONDENSER

8

312649118

HOSE

9

312649068

PULLEY, MOTOR

10

801015110

BOLT

11

802170002

WASHER

12

880011072

BELT

13

801105546

SCREW

14

880011076

WASHER, SPRING

15

312649061

FLANGE

16

312649607

O-RING

17

312649111

BRACKET, IDLER ECCENTRIC

18

880011086

BOLT

19

312649110

ECCENTRIC, IDLER PULLEY

20

801024079

BOLT

21

804010057

WASHER, SPRING

22

312649112

BOLT, SHOULDERED IDLER

23

312649069

PULLEY, IDLER

24

801015108

BOLT

25

802170002

WASHER

26

880011074

TAPE, SELF ADHESIVE

27

880011091

VALVE, SHUT OFF

28

802660003

CLAMP

Выбрано товаров: 29