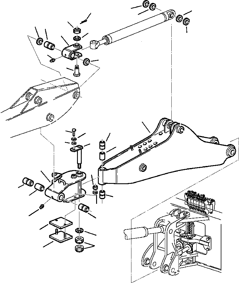
Запчасти Komatsu WB150AWS-2N FIG. T7-A OFFSET РУКОЯТЬ И СТРЕЛА РАБОЧЕЕ ОБОРУДОВАНИЕ

Схема запчастей Komatsu WB150AWS-2N - FIG. T7-A OFFSET РУКОЯТЬ И СТРЕЛА РАБОЧЕЕ ОБОРУДОВАНИЕ
18
17
24
17
23
18
20
22
19
18
12
18
21
1
2
5
6
7
4
3
8
13
2
2
11
14
12
2
15
9
10
16
FIT
1:1
100%

Артикул

Название

Примечание

Количество

1

312737062

BOOM

2

500212005

BUSHING

3

500250025

SPACER

4

200321979

PIN

5

801015183

BOLT

6

802150516

SPRING WASHER

7

802170005

WASHER

8

312737050

BLOCK, PIVOT

9

802040039

WASHER

10

802030506

RING NUT

11

500250002

SPACER

12

860010007

ZERK, GREASE

13

801880214

NUT, LOCK

14

802170004

WASHER

15

500411328

PLATE

16

200536775

SUPPORT

17

500252040

SPACER

18

500270009

SPACER

19

200513930

SWIVEL

20

500211014

BUSHING

21

500320013

PIN

22

802160004

WASHER

23

801812230

NUT

24

802610090

PIN, COTTER

Выбрано товаров: 24