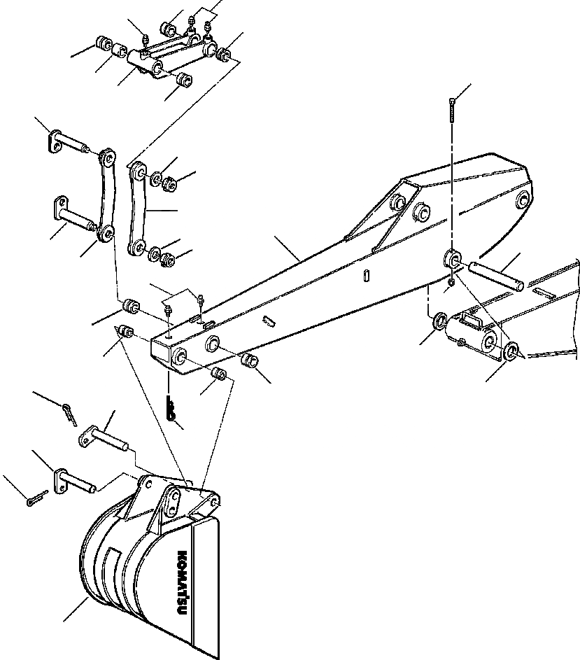
Запчасти Komatsu WB150AWS-2N FIG. T-A ЭКСКАВАТ. РУКОЯТЬ И КОВШ РАБОЧЕЕ ОБОРУДОВАНИЕ

Схема запчастей Komatsu WB150AWS-2N - FIG. T-A ЭКСКАВАТ. РУКОЯТЬ И КОВШ РАБОЧЕЕ ОБОРУДОВАНИЕ
4
7
4
7
2
8
19
20
2
6
16
15
18
1
16
11
6
15
17
4
9
3
10
2
5
10
3
15
2
12
14
5
13
FIT
1:1
100%

Артикул

Название

Примечание

Количество

1

312709051

ARM

2

500217002

BUSHING

3

500217005

BUSHING

4

860010007

FITTING, GREASE

5

802610118

PIN, COTTER

6

312710052

PIN, LEVER

7

500217008

BUSHING

8

801015584

BOLT

9

801880212

NUT, LOCK

10

500270024

SPACER

11

390597064

PIN, ARM

12

802610118

PIN, COTTER

14

200323390

PIN, BUCKET

15

802030505

NUT, RING

16

802040037

WASHER

17

312710050

LEVER, RIGHT

18

312710051

LEVER, LEFT

19

500250056

SPACER

20

200703069

LEVER, ARM

Выбрано товаров: 19