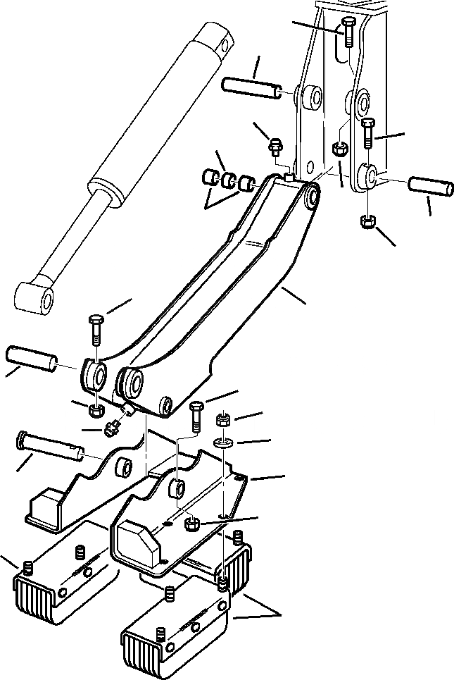
Запчасти Komatsu WB150AWS-2N FIG. T-A ЭКСКАВАТ. ОПОРАS - SECMENTED ПОДУШКАS РАБОЧЕЕ ОБОРУДОВАНИЕ

Схема запчастей Komatsu WB150AWS-2N - FIG. T-A ЭКСКАВАТ. ОПОРАS - SECMENTED ПОДУШКАS РАБОЧЕЕ ОБОРУДОВАНИЕ
16
14
4
16
2
17
3
15
17
6
1
5
9
7
13
4
18
11
8
10
12
12
FIT
1:1
100%

Артикул

Название

Примечание

Количество

1

312702059

OUTRIGGER, STABILIZER

2

500250024

SPACER

3

500212014

BUSHING

4

860010007

FITTING, GREASE

5

390597056

PIN, CYLINDER TO STABILIZER

6

801015584

BOLT

7

801880212

NUT, LOCK

8

312302059

PIN, FOOT

9

801015582

BOLT

10

801880212

NUT, LOCK

11

312702054

PAD, METAL

12

2938-70-2740

PAD, SEGMENTED

13

801880212

NUT, LOCK

14

390597057

PIN, CYLINDER TO FRAME

15

390597058

PIN, STABILIZER TO FRAME

16

801015584

BOLT

17

801880212

NUT, LOCK

18

802170003

WASHER

Выбрано товаров: 18