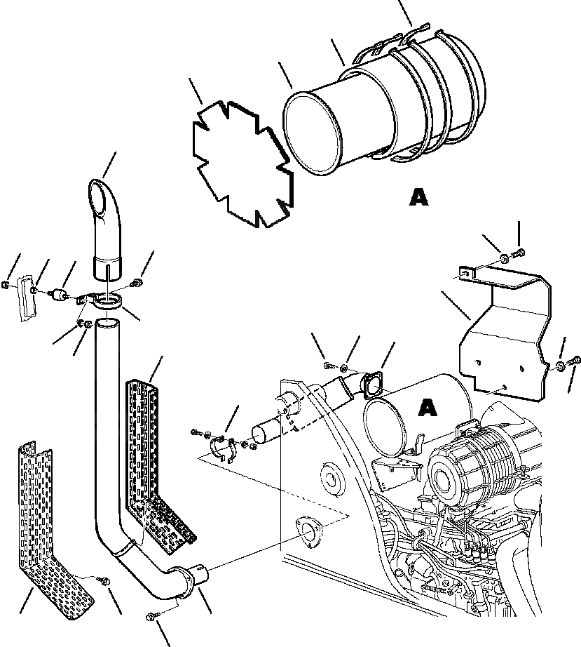
Запчасти Komatsu WB150AWS-2N FIG. B-A ВЫПУСКН. СИСТЕМА КОМПОНЕНТЫ ДВИГАТЕЛЯ

Схема запчастей Komatsu WB150AWS-2N - FIG. B-A ВЫПУСКН. СИСТЕМА КОМПОНЕНТЫ ДВИГАТЕЛЯ
14
18
19
15
2
21
22
4
9
9
10
20
16
17
3
22
13
6
8
9
7
23
5
12
1
11
FIT
1:1
100%

Артикул

Название

Примечание

Количество

1

312607055

TUBE, MUFFLER

2

312607680

TUBE, EXHAUST

3

312607106

CLAMP

4

01024-80825

BOLT, SEMS

5

312607075

PROTECTION, OUTER

6

312607088

PROTECTION, INNER

7

802670075

CLAMP

8

01643-30823

WASHER

9

01580-10806

NUT

10

808001043

DAMPER

11

01024-81030

BOLT, SEMS

12

01024-81020

BOLT, SEMS

13

312607053

TUBE, MUFFLER

14

312607843

PROTECTION, MUFFLER

15

312607676

PROTECTION, MUFFLER END

16

01010-80825

BOLT

17

01643-30823

WASHER

18

885190010

STRAP, TIE

20

312607156

SHIELD, HEAT

21

801015547

BOLT, UPPER

22

802170001

WASHER

23

801015546

BOLT, LOWER

Выбрано товаров: 22