Запчасти Komatsu WB150PS-2 ГИДРОЛИНИЯ (РУЛЕВ. УПРАВЛЕНИЕ ЛИНИЯ) (/) ГИДРАВЛИКА РАБОЧЕЕ ОБОРУДОВАНИЕ

Схема запчастей Komatsu WB150PS-2 - ГИДРОЛИНИЯ (РУЛЕВ. УПРАВЛЕНИЕ ЛИНИЯ) (/) ГИДРАВЛИКА РАБОЧЕЕ ОБОРУДОВАНИЕ
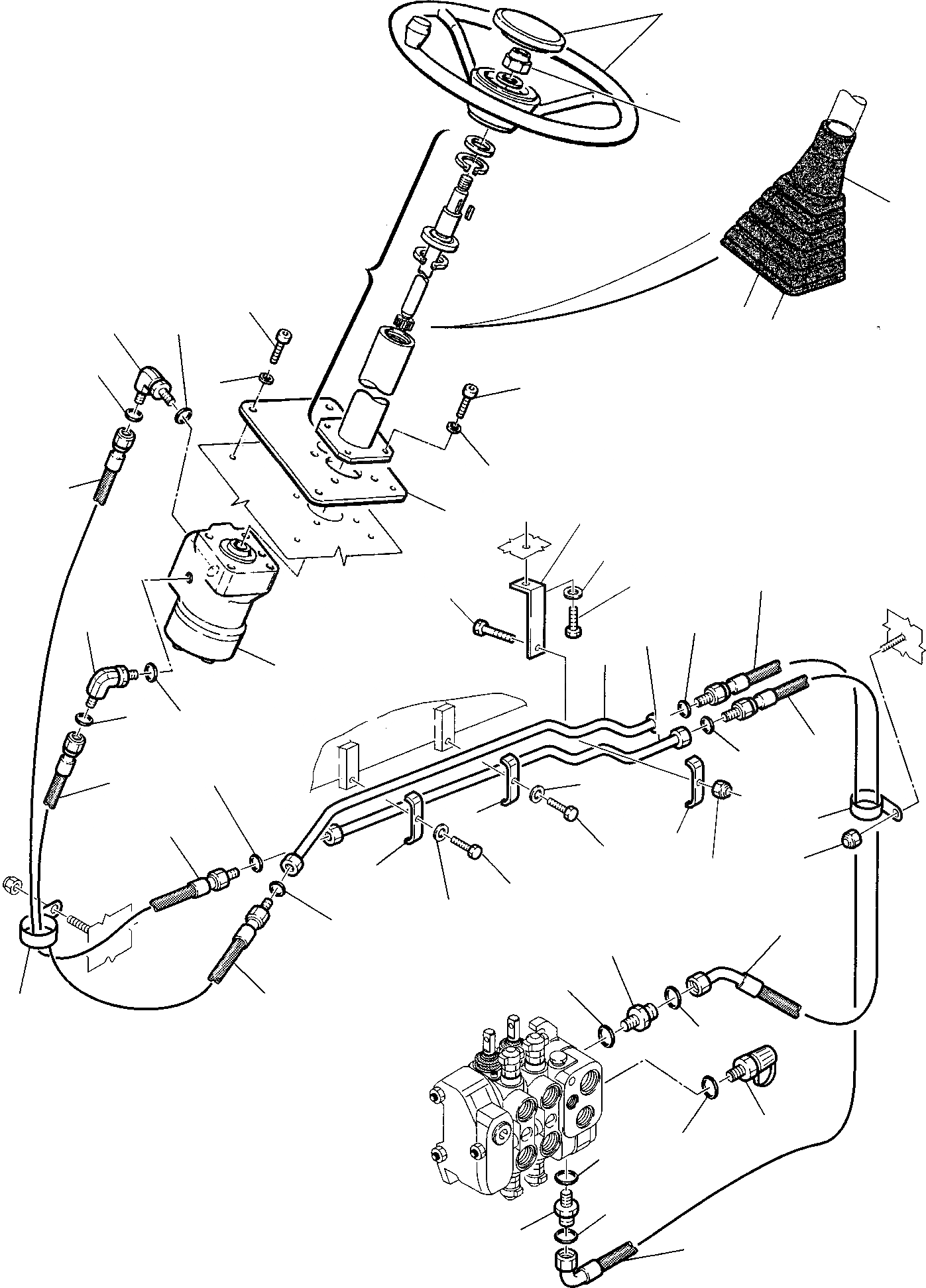
1
2
36
2
4
13
12
14
5
4
5
15
3
37
39
22
38
41
7
23
21
20
6
9
8
3
24
25
16
10
19
17
34
15
40
18
35
42
17
18
19
11
24
29
30
10
43
31
32
33
27
28
26
22
FIT
1:1
100%

Артикул

Название

Примечание

Количество

1

360708067

STEERING

2

312608050

STUD BOLT STEERING

3

312608608

FLANGE

4

801104125

BOLT

5

802170002

WASHER

6

850010026

HYDRAULIC STEERING UNIT, ASSY

7

500380503

ELBOW

8

855051111

O-RING

9

855051012

O-RING

10

392801016

HOSE

11

855051012

O-RING

12

500380508

ELBOW

13

855051617

O-RING

14

855051014

O-RING

15

392431010

HOSE

16

855051014

O-RING

17

306471638

RETAINER

18

801015111

BOLT

19

802170002

WASHER

20

312616052

PIPE

21

312616053

PIPE

22

392806003

HOSE

23

855051012

O-RING

24

392434001

HOSE

25

855051014

O-RING

26

500380103

UNION

27

855051111

O-RING

28

855051012

O-RING

29

500380108

UNION

30

855051617

O-RING

31

855051014

O-RING

32

306410132

MINI-INTAKE

33

855051111

O-RING

34

802660500

COLLAR

35

801880208

SELF-LOCKING NUT

36

816212396

BOOT

37

312617604

SUPPORT

38

801015108

BOLT

39

802148013

WASHER

40

333310615

RETAINER

41

801015089

BOLT

42

801880208

SELF-LOCKING NUT

43

802660508

COLLAR

Выбрано товаров: 43