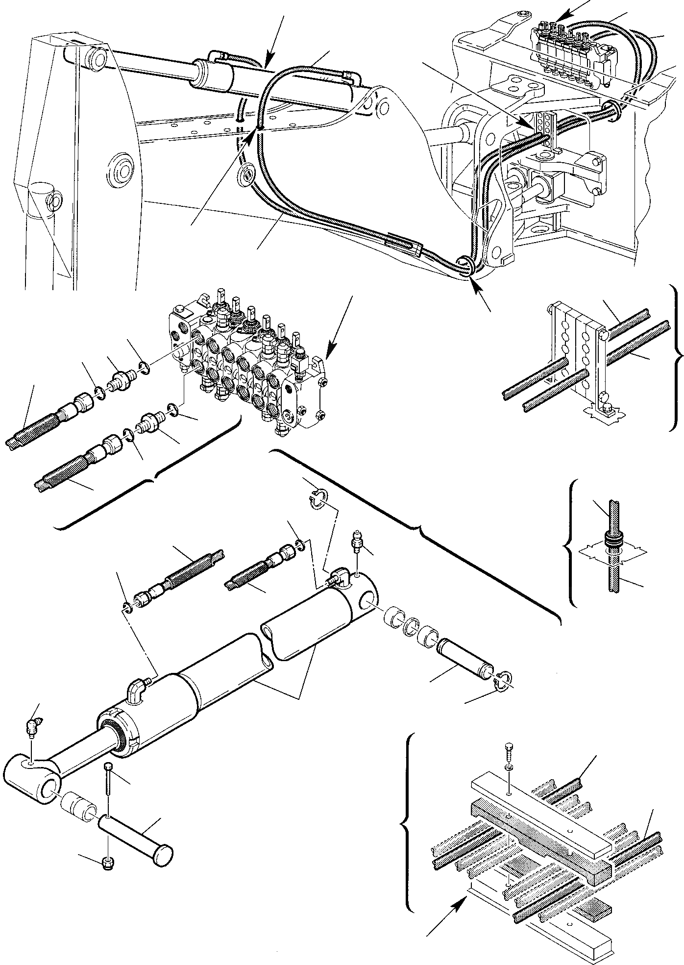
Запчасти Komatsu WB150PS-2 ГИДРОЛИНИЯ (ЦИЛИНДР РУКОЯТИ) ГИДРАВЛИКА РАБОЧЕЕ ОБОРУДОВАНИЕ

Схема запчастей Komatsu WB150PS-2 - ГИДРОЛИНИЯ (ЦИЛИНДР РУКОЯТИ) ГИДРАВЛИКА РАБОЧЕЕ ОБОРУДОВАНИЕ
D
D
C
5
C
E
E
B
B
4
A
A
a
5
b
4
4
2
1
3
5
5
2
1
3
14
4
6
15
4
9
15
4
5
5
13
8
14
7
4
11
5
10
12
FIT
1:1
100%

Артикул

Название

Примечание

Количество

1

500380113

UNION

2

855051119

O-RING

3

855051018

O-RING

4

392860006

HOSE

5

392860006

HOSE

6

312708621

BUSHING

7

395002005

JACK ASSY

9

860010007

FITTING

12

801880212

SELF-LOCKING NUT

14

802270017

SNAP RING

15

855051018

O-RING

Выбрано товаров: 0