Запчасти Komatsu WB150PS-2 ГИДРОЛИНИЯ (ЦИЛИНДР КОВША) (/) ГИДРАВЛИКА РАБОЧЕЕ ОБОРУДОВАНИЕ

Схема запчастей Komatsu WB150PS-2 - ГИДРОЛИНИЯ (ЦИЛИНДР КОВША) (/) ГИДРАВЛИКА РАБОЧЕЕ ОБОРУДОВАНИЕ
D
D
4
C
C
B
B
A
A
c
a
b
4
5
2
1
3
4
2
1
3
4
4
4
FIT
1:1
100%

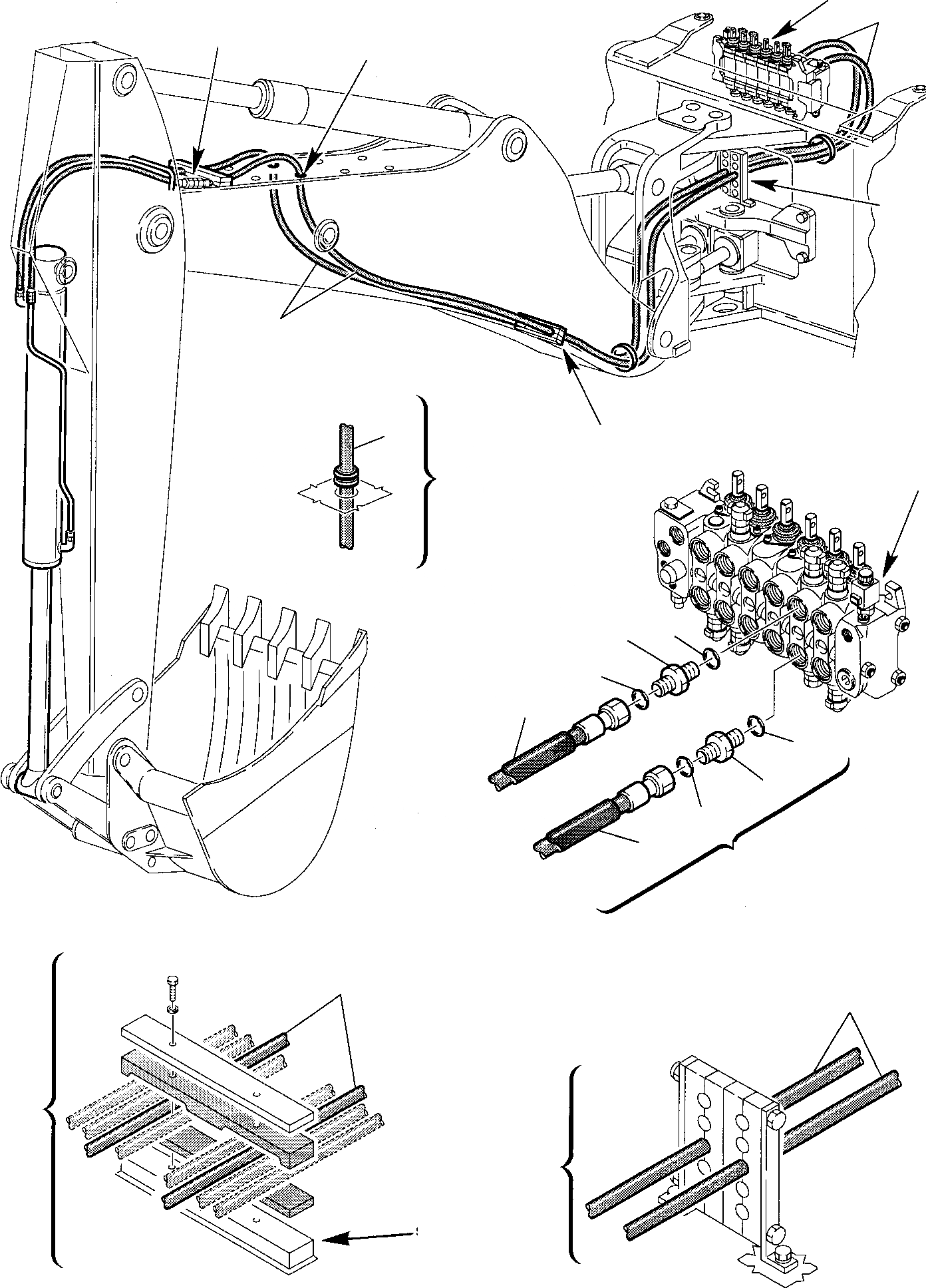
Артикул

Название

Примечание

Количество

1

500380113

UNION

2

855051119

O-RING

3

855051018

O-RING

4

392860006

HOSE

5

312708621

BUSHING

Выбрано товаров: 0