Качественные детали и логистика
Оригинальные и аналоговые запчасти с доставкой по России, Казахстану и Беларуси
©2022 PartSell ООО "Система" ИНН 2463123282 ОГРН 1212400004838
Центральный офис: г. Красноярск, Академика Киренского, д.87, пом.4
Телефон: 8 (800) 777-65-74 Email: zakaz@partsell.ru
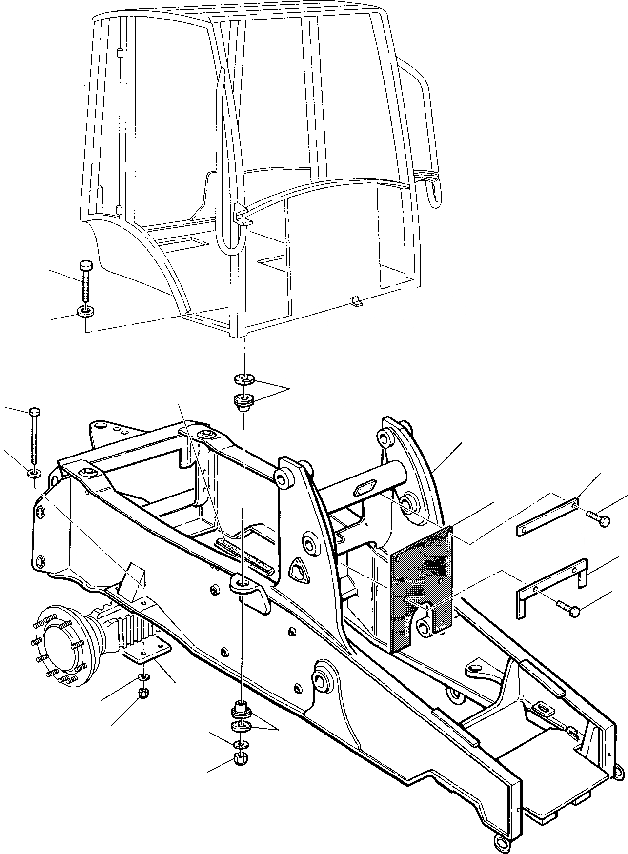
РАМА
№
Артикул
Название
Примечание
Количество
1
312601055
FRAME HORIZONTAL OUTRIGGER
2
312601601
PLATE
3
312606618
BOLT
4
801880220
SELF-LOCKING NUT
5
802170007
WASHER
6
312605755
SQUAB PANEL
7
312605756
8
801015112
9
312605106
PLATE FIXING
10
808001069
DAMPER
11
801015661
12
13
14
390605087
15
855710078
GASKET
Выбрано товаров: 0