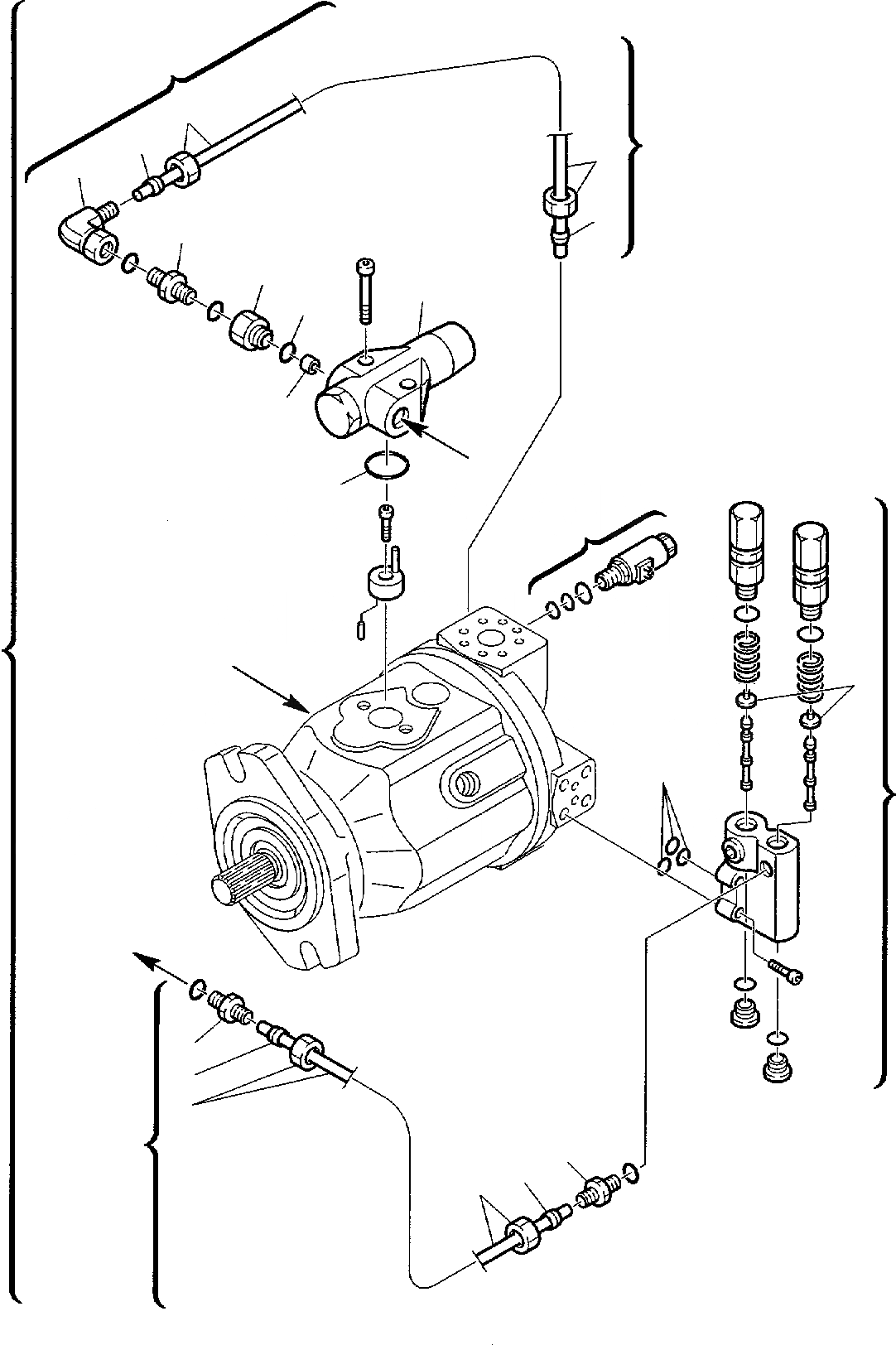
Запчасти Komatsu WB150PS-2 ГИДР. НАСОС. (/) ГИДРАВЛИКА РАБОЧЕЕ ОБОРУДОВАНИЕ

Схема запчастей Komatsu WB150PS-2 - ГИДР. НАСОС. (/) ГИДРАВЛИКА РАБОЧЕЕ ОБОРУДОВАНИЕ
7
A
8
9
7
8
11
A
9
10
5
2
6
4
3
12
1
15
14
13
19
18
17
16
19
18
17
A
FIT
1:1
100%

Артикул

Название

Примечание

Количество

1

840220122

PUMP ASSY

2

840225218

PILOT VALVE

3

840225230

O-RING

4

840225316

ORRIFICE

5

840225310

ADAPTER

6

840225306

O-RING

7

840225308

PIPE, ASSY

8

840225307

PIPE

9

840225235

SPACER RING

10

840225234

UNION

11

840225237

ELBOW

12

840225309

VALVE

13

840225217

PILOT VALVE

14

840225232

O-RING

15

840225243

PLUG

16

840225313

PIPE, ASSY

17

840225312

PIPE

18

840225235

SPACER RING

19

840225234

UNION

Выбрано товаров: 0