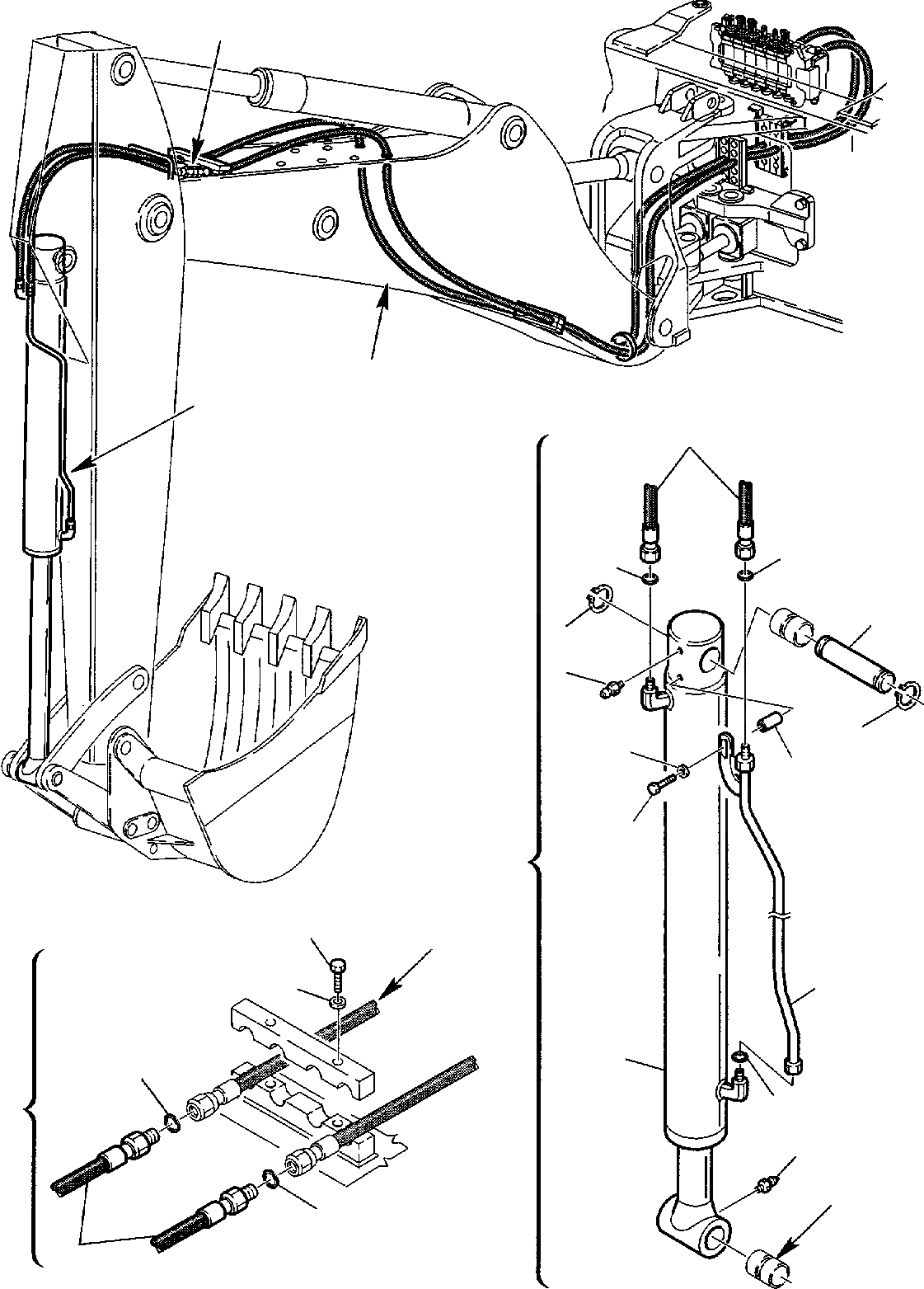
Запчасти Komatsu WB150PS-2 ГИДРОЛИНИЯ (ЦИЛИНДР КОВША) (/) ГИДРАВЛИКА РАБОЧЕЕ ОБОРУДОВАНИЕ

Схема запчастей Komatsu WB150PS-2 - ГИДРОЛИНИЯ (ЦИЛИНДР КОВША) (/) ГИДРАВЛИКА РАБОЧЕЕ ОБОРУДОВАНИЕ
A
A
B
B
6
3
3
4
5
2
5
13
11
12
9
8
10
1
7
3
2
7
6
A
A
B
FIT
1:1
100%

Артикул

Название

Примечание

Количество

1

395003005

JACK ASSY

2

860010007

FITTING

3

855051018

O-RING

4

312709605

PIN

5

802270017

SNAP RING

6

392861005

HOSE

7

855051018

O-RING

8

312707097

PIPE

9

801015545

BOLT

10

802170001

WASHER

11

312739618

SPACER

12

801015559

BOLT

13

802170002

WASHER

Выбрано товаров: 13