Запчасти Komatsu WB150PS-2 ГИДРОЛИНИЯ (МОЛОТ) (/) ГИДРАВЛИКА РАБОЧЕЕ ОБОРУДОВАНИЕ

Схема запчастей Komatsu WB150PS-2 - ГИДРОЛИНИЯ (МОЛОТ) (/) ГИДРАВЛИКА РАБОЧЕЕ ОБОРУДОВАНИЕ
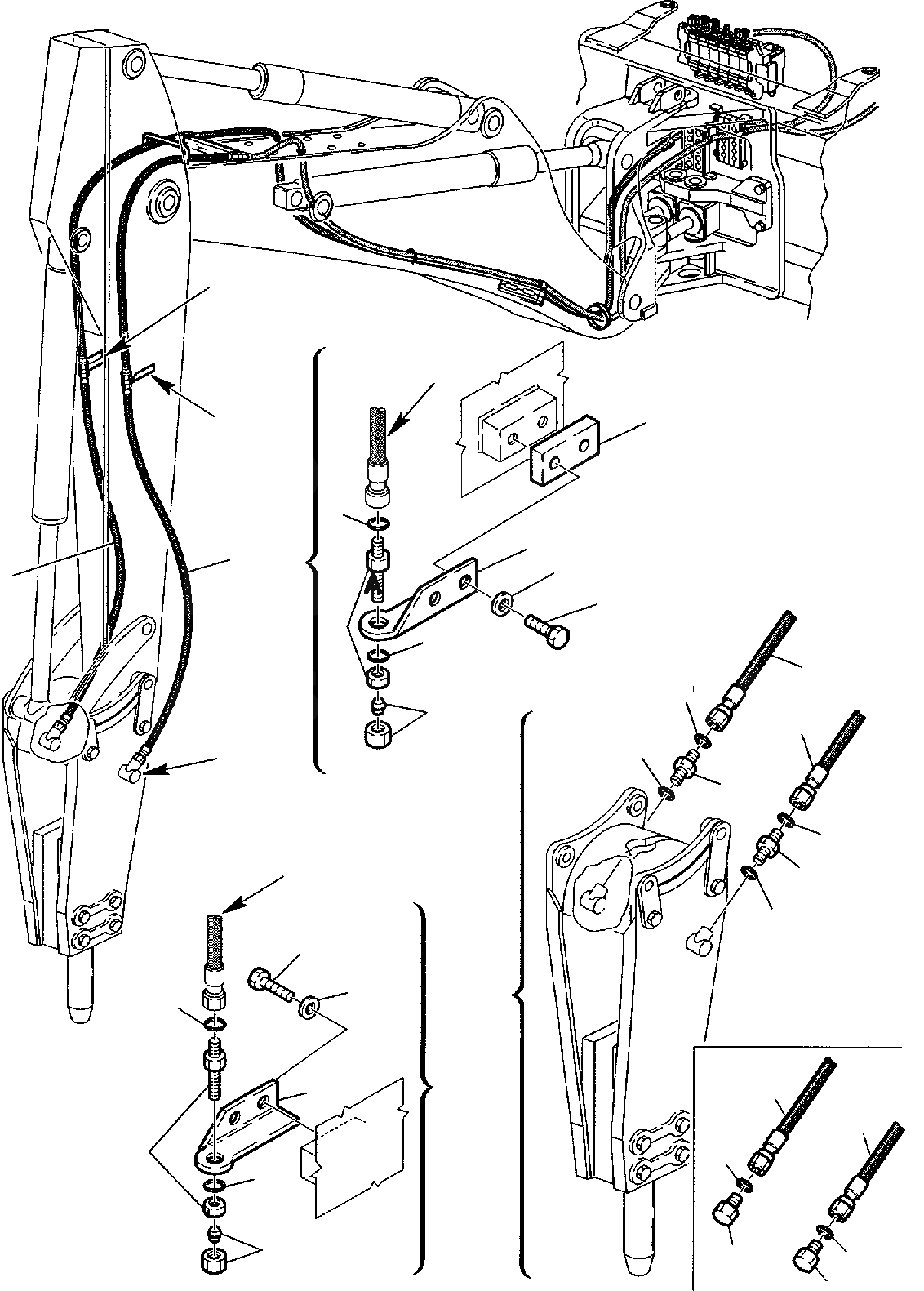
20
A
A
B
B
C
C
21
5
1
13
3
17
2
4
5
17
6
13
19
18
16
14
15
8
9
11
17
7
13
10
24
11
12
23
22
21
A
A
FIT
1:1
100%

Артикул

Название

Примечание

Количество

1

312343609

SUPPORT L.H.

2

801015108

BOLT

3

802150510

WASHER

4

500380324

UNION, ASSY

5

855051018

O-RING

6

500380314

PLUG

7

312343608

SUPPORT R.H.

8

801015108

BOLT

9

802150510

WASHER

10

500380325

UNION, ASSY

11

855051021

O-RING

12

500380315

PLUG

13

392860022

HOSE

14

500380113

UNION

15

855051119

O-RING

16

855051018

O-RING

17

392400006

HOSE

18

500380115

UNION

19

855051119

O-RING

20

855051021

O-RING

21

500380304

PLUG

22

855051018

O-RING

23

500380305

PLUG

24

855051021

O-RING

Выбрано товаров: 24