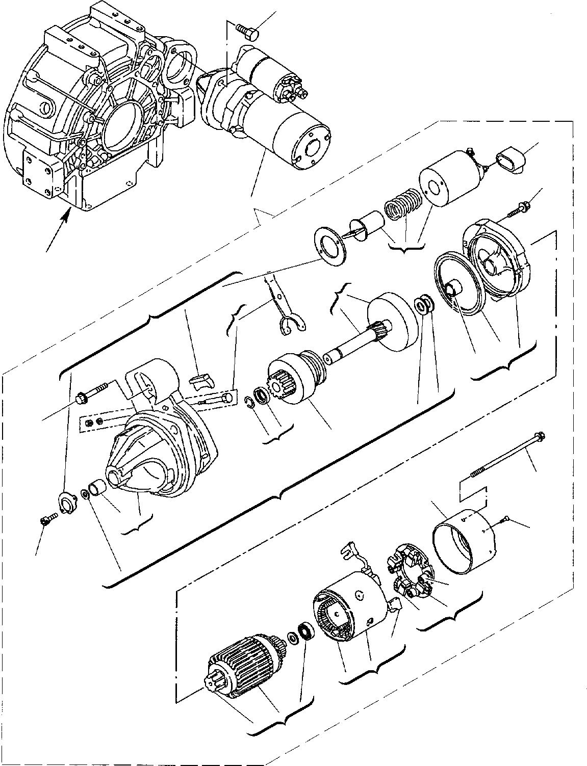
Запчасти Komatsu WB150PS-2 СТАРТЕР ДВИГАТЕЛЬ

Схема запчастей Komatsu WB150PS-2 - СТАРТЕР ДВИГАТЕЛЬ
41
37
38
1
25
22
31
28
20
21
19
39
24
9
35
15
5
27
36
26
40
18
17
16
14
13
2
A
FIT
1:1
100%

Артикул

Название

Примечание

Количество

\0

871070041

TURBO ENGINE

1

YM129953-77010

STARTING MOTOR

2

YM121254-77402

ARMATURE ASSY

5

YM121254-77430

WASHER

9

YM121254-77480

STOPPER PINION

13

YM121254-77521

COIL ASSY, FIELD

14

YM121254-77541

BRUSH

15

YM121254-77550

COVER

16

YM121254-77571

HOLDER

17

YM121254-77581

BRUSH

18

YM121254-77590

SPRING, BRUSH

19

YM121254-77600

BEARING ASSY, CENTER

20

YM121254-77610

SEAL, OIL

21

YM121254-77620

BEARING, NEEDLE

22

YM121254-77640

SHAFT

24

YM129953-77660

PINION

25

YMX2130570040

SWITCH

26

YM121254-77681

CASE ASSY

27

YM121254-77690

GEAR CASE

28

YM121254-77700

LEVER

31

YM121254-77730

DUST COVER SET

35

YM121254-77770

BOLT

36

YM121254-77790

SCREW

37

YM121254-77810

TERMINAL COVER

38

YM26106-060302

BOLT

39

YM26106-060452

BOLT

40

YM121254-77780

SCREW

41

YM26116-120302

BOLT

Выбрано товаров: 28