Запчасти Komatsu WB150PS-2 РЕГУЛЯТОР (/) ДВИГАТЕЛЬ

Схема запчастей Komatsu WB150PS-2 - РЕГУЛЯТОР (/) ДВИГАТЕЛЬ
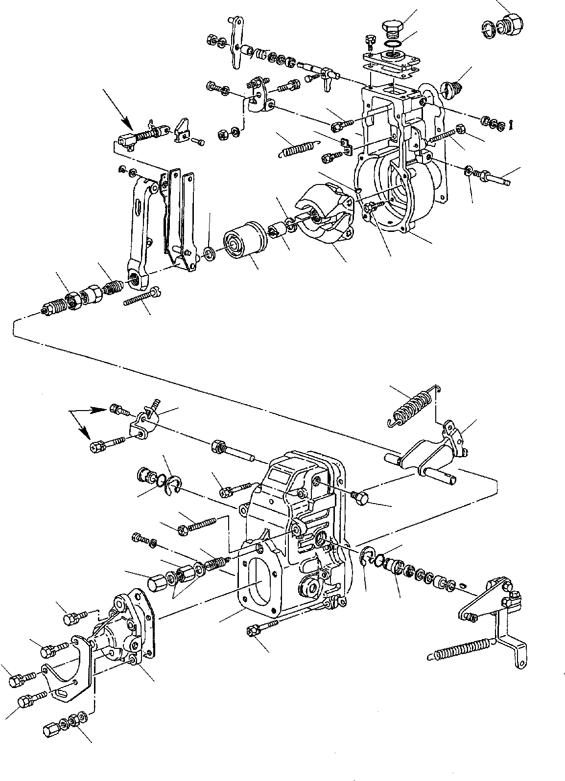
21
42
4
23
3
5
6
7
10
9
11
28
29
32
12
2
47
30
8
48
27
31
15
41
1
49
52
18
51
17
19
10
51
43
44
46
26
52
50
45
13
25
14
24
20
22
16
A
A
FIT
1:1
100%

Артикул

Название

Примечание

Количество

\0

871070041

TURBO ENGINE

1

YMX1543763120

BRACKET

2

YMX1540045620

FLANGED HOUSING

3

YMX0296325070

O-RING

4

YMX1540072900

PLUG

5

YMX1540070200

ADAPTOR

6

YMX0200181840

BOLT

7

YMX1543501800

PLATE

8

YMX0290106810

BOLT

9

YMX1540101100

SCREW

10

YMX1540110100

NUT

11

YMX1540132320

BOLT

12

YMX0141108440

SPRING WASHER

13

YMX1545011120

COVER

14

YMX1545011100

COVER

15

YMX1540314700

SCREW

16

YMX1392080400

NUT

17

YMX1540361200

PLUG

18

YMX1390067100

BOLT

19

YMX1540100100

SCREW

20

YMX0201063840

BOLT

21

YMX1530204420

LIMITER

22

YMX1540644200

COVER

23

YMX0290206260

BOLT

24

YMX0290206260

BOLT

25

YMX0200062040

BOLT

26

YMX0200061640

BOLT

27

YMX1541010020

FLYWAIGHT ASSY

28

YMX0258031610

KEY

29

YMX0293212020

SPRING

30

YMX0292312030

NUT

31

YMX1541232320

SLEEVE

32

YMX0293110010

SHIM

32

YMX0293110180

SHIM

32

YMX0293110190

SHIM

32

YMX0293110210

SHIM

32

YMX1394100000

SHIM

32

YMX1394100100

SHIM

32

YMX1394103000

SHIM

32

YMX1394103100

SHIM

32

YMX1394103200

SHIM

41

YMX1541502900

SPRING

42

YMX1541540701

SPRING

43

YMX1541580920

SPRING

44

YMX0292012140

NUT

45

YMX0265121540

GASKET

46

YMX1541591200

CAP

47

YMX1541771920

SPRING

48

YMX0292016080

NUT

49

YMX1542006920

LEVER

50

YMX1542043000

BUSH

51

YMX0296318020

O-RING

52

YMX0160101640

RING

Выбрано товаров: 53