Качественные детали и логистика
Оригинальные и аналоговые запчасти с доставкой по России, Казахстану и Беларуси
©2022 PartSell ООО "Система" ИНН 2463123282 ОГРН 1212400004838
Центральный офис: г. Красноярск, Академика Киренского, д.87, пом.4
Телефон: 8 (800) 777-65-74 Email: zakaz@partsell.ru
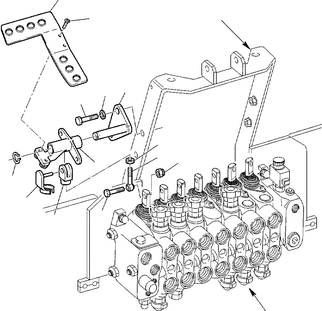
ПЕДАЛЬ УПРАВЛ-Я ЭКСКАВ. (ЛЕВ.)
№
Артикул
Название
Примечание
Количество
1
312713621
PEDAL
2
801200667
BOLT
3
312713063
PEDAL SUPPORT
4
801015109
5
802170002
WASHER
6
801015556
7
312713630
BUSHING, PEDAL
8
802250020
SNAP RING
9
802720020
FORK
10
802725020
PIN
11
801920105
NUT
12
801852410
SELF-LOCKING NUT
13
805850015
JOINT
Выбрано товаров: 0