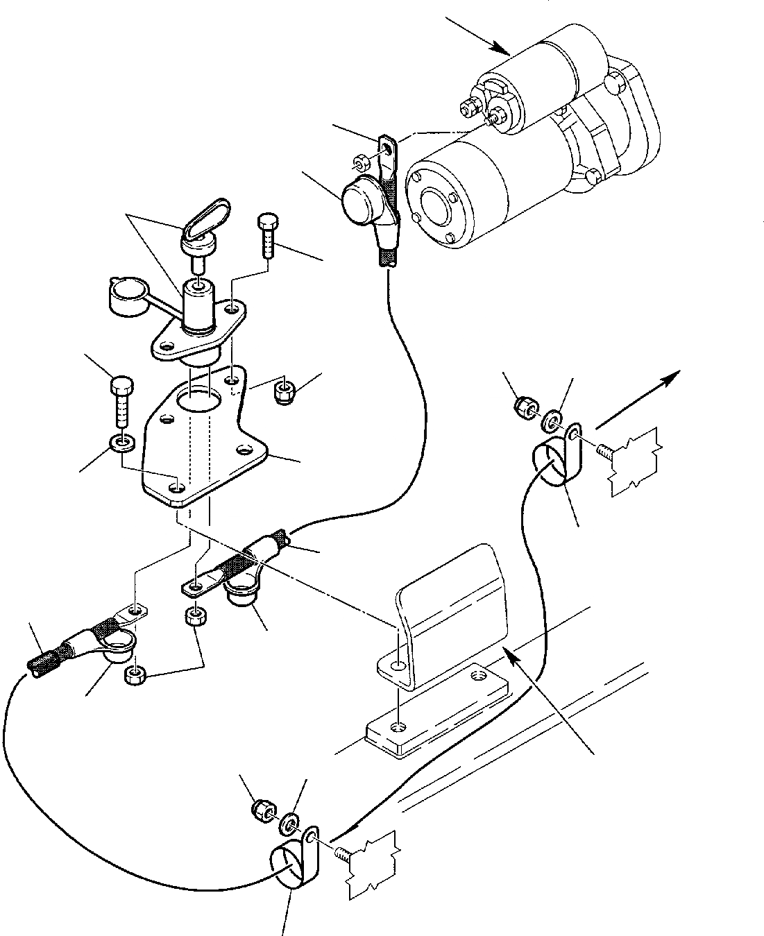
Запчасти Komatsu WB150PS-2 РАЗЪЕДИНЕНИЕ АККУМУЛЯТОРА КОМПОНЕНТЫ ДВИГАТЕЛЯ И ЭЛЕКТРИКА

Схема запчастей Komatsu WB150PS-2 - РАЗЪЕДИНЕНИЕ АККУМУЛЯТОРА КОМПОНЕНТЫ ДВИГАТЕЛЯ И ЭЛЕКТРИКА
A
B
C
7
8
1
2
5
11
3
12
4
6
10
7
9
8
1
13
11
12
14
FIT
1:1
100%

Артикул

Название

Примечание

Количество

1

885081152

SWITCH

2

801015066

BOLT

3

801880206

WASHER

4

312612610

SWITCH SUPPORT

5

801015087

BOLT

6

802170001

WASHER

7

312612088

TERMINAL (+), ASSY

8

885411438

COVER

9

885220017

PROTECTION

10

802660508

CLAMP

11

801880208

SELF-LOCKING NUT

12

802170001

WASHER

13

885411438

COVER

14

802660506

CLAMP

Выбрано товаров: 14